Особенности конструкции датчиков наклона
По конструкции практически большая часть устройств данного типа идентичны. Различия иногда оказываются практически незначительными. Во внутренней части датчика наклона оказывается наличие микромеханической ёмкостной сборки, обладающей повышенным уровнем чувствительности к акселерации,

плюс интегрированную микросхему. Схема отвечает за два пункта: термокомпенсация и первоначальная обработка сигнального импульса. Информация, прошедшая предварительную обработку, переносится на микроконтроллер, чтобы пройти более детальную обработку.
Деталь, реагирующая на смену темпов ускорения, обладает механическими узлами, а конкретно – стандартными полупроводниковыми материалами. По идее это группа, состоящая из электродов и тесным образом связанная с массой. Эта масса обладает подвижностью, то есть беспрепятственно способна совершать перемещения к области электродов. Масса может отклониться о позиции нейтрального типа, если будет произведено воздействие определённого уровня акселерации на датчик наклона. Также расстояние между 2-мя базовыми элементами сильно поменяется.
Под воздействием ускорения подвижные виды электродов изменяют собственное местоположение. В связи с этим происходит изменение ёмкости конденсатора. Этот параметр повышается у одного из конденсаторов, и снижается у другого. Акселерометр имеет 3 главных элемента, которые имеют высокий уровень чувствительности.
Устал платить за штрафы? Выход есть!
- Абсолютно легально (статья 12.2);
- Скрывает от фото-видеофиксации;
- Подходит для всех автомобилей;
- Работает через разъем прикуривателя;
- Не вызывает помех в радиоприемнике и сотовых телефонах.
Узнать подробности
Как правильно настроить
Управление настроенными функциями штатной сигнализации возможно только после проведения процесса её активации. Непосредственно процесс активации вполне доступен для понимания и прост. Он подробно описан в прилагаемой к автомобилю технической документации. Однако гораздо надежнее, если этот процесс проведут непосредственно в салоне его работники.
При возникновении случайных сбоев из-за посадки аккумулятора, морозов или других причин, переобучение штатной сигнализации Приоры можно провести и самостоятельно:
- зарядить штатный аккумулятор и проверить наличие топливо в баке машины. Все двери, включая багажник и капот, необходимо закрыть;
- вставить обучающий ключ в личинку замка зажигания;
- включить на 6 сек. зажигание Приоры;
- индикаторная лампа штатного иммобилайзера должна замигать с частотой 5 раз/сек;
- по истечении 6 сек. зажигание Лады необходимо выключить и вытащить обучающий ключ;
- пока горит индикация штатного ИММО, вставить рабочий ключ с интегрированным в него брелоком управления;
- ключ зажигания установить в положение вкл. Тогда штатная сигнализация издаст 3-и подтверждающих сигнала. Дождавшись следующих 2-х сигналов ключ с интегрированным в него брелоком управления можно вытащить, выключив зажигание;
- при необходимости обучения второго штатного ключа с интегрированным в него брелоком управления, то для него следует повторить предыдущий пункт;
- за 6 сек, при мигающей индикации требуется вставить обучающий ключ и вновь задействовать зажигание Лады Приора;
- штатная сигнализация подаст 3-и явно слышимых звука. Затем, в течение 6 сек, издаст ещё 2-а звука;
- выключить зажигание машины и дождаться последнего одиночного сигнала. Индикационная лампа ИММО должна замигать в 2-а раза чаще;
- в это время необходимо установить обучающий ключ в положение вкл. ровно на 3-и секунды. Дождаться трёхкратного сигнала зуммера. Индикационная лампа штатного ИММО должна прекратить быстрое мигание;
- не следует включать зажигание в продолжение 10 сек;
- возможно, что ЭБУ не позволит завести двигатель Лады Приора с первого раза. В этом случае следует выполнить его рассинхронизацию, включив зажигание на 6 сек.
Точки подключения штатной сигнализации на Лада Приора
- Концевик капота (-) – белый, черный в разъеме посередине;
- Зажигание (+) – оранжевый в разъеме посередине;
- Кнопка открывания крышки багажного отсека (-) – черный, белый в маленьком разъеме;
- Концевик багажного отсека (-) – черный, белый в маленьком разъеме;
- Заводская звуковая система оповещения – черный, белый на предохранительной панели.Владельцы моделей Ваз меняют, или усовершенствуют существующую защиту. Модернизировать защиту на приору не трудно. Для управления центральным замком требуется перерезать проводок коричневого цвета в водительской дверце и подключиться соответственно схеме.
Основные концевики
- Зажигание – синий, черный цвет, расположен в районе замка зажигания;
- Стартер – красного цвета;
- Повороты – синий и синий с черной риской;
- Зажигание – оранжевый;
- Концевик капота – белый с черной полоской;
- Генератор – черный с коричневой риской.
Настраиваем чувствительность датчика удара
Общая последовательность действий при настройке чувствительности датчика удара приведена ниже:
Отключите АКБ
Внимание! Документация к некоторым автосигнализациям запрещает это делать. В таком случае снимите предохранитель освещения чтобы предотвратить слишком быструю потерю энергии батареей.
Найдите место установки чувствительного элемента сигнализации
В большинстве случаев он располагается под передней панелью, но возможны разные варианты. Изучите инструкцию к транспортному средству. Ищите на ней термин VALET – это стандартное обозначение датчика удара.
Перед началом регулирования параметров отключите режим охраны. Переключите систему в режим программирования. Точный метод настройки датчика удара зависит от особенностей установленной автосигнализации. В старых моделях для этого применяется винт, в новых – кнопки.
Обратите внимание на шкалу чувствительности сигнализации. На ней указываются доступные уровни. Их количество обычно составляет от 0 до 10, где 0 – это полное отсутствие реакции на события, а 10 – максимально возможная чувствительность. В новых машинах показатель обычно установлен на 5.
Не рекомендуется слишком сильно повышать чувствительность датчика удара. Большинство моделей сигнализации рассчитано примерно на 10 срабатываний за 1 цикл, после чего автомобиль придется заново ставить автосигнализацию в охранный режим.
Выбор конкретных параметров автосигнализации зависит от характеристик автомобиля (его веса, способа монтажа охранных компонентов) и обстановки в месте парковки. При выборе подходящего показателя рекомендуется постоянно проверять стабильность срабатывание датчика. Выберите определенное число и слегка ударьте кузов. Если реакции не последовало, ударьте чуть сильнее. Определите, при каком усилии раздается оповещение системы безопасности.
Чтобы добиться максимальной точности, поставьте машину в режим охраны и подождите около трех минут, после чего проверяйте чувствительность сигнализации. После каждой проверки ждите еще пару минут. Во многих защитных системах автосигнализация переводится в режим повышенной чувствительности, если корпус только что подвергся механическому воздействию.
Иногда возможна настройка сигнализации в полуавтоматическом режиме. В таком случае датчик переводится в режим «обучения», после чего нужно наносить по кузову удары разной силы. Однако помните, что автосигнализация по-разному воспринимает механические нагрузки на разные части автомобиля. Например, удар по колесу «ощущается» слабее, чем по капоту.
Лада Гранта ЛедникОвая › Бортжурнал › Установка сигнализации StarLine A93 на Лада Гранта
Всем привет! Вот и первая запись в БЖ Гранты) Все руки не доходили, а теперь я в отпуске и решил написать=) Речь пойдет о установке сигнализации StarLine A93 на Гранту, поставил осенью, пока работает исправно.
Почему выбор пал на сигнализацию StarLine A93:
— Надежность (по опыту с ВАЗ 2107 и StarLine A91) — Сравнительно не высокая цена 8600 (без плюшек в виде GSM, Can+Lin) — Простота управления — Большее количество функций — Гибкое программирование функций
Докупать в моем случае пришлось только 4 концевика, 3 в двери и 1 под капот, решил поставить заводской, не захотелось колхозить тот, что в комплекте с сигнализацией, сверлить и т.д.
Приступим к установке, у меня комплектация Норма + будет подключение по ней Чтобы не расписывать слева пишу цвет провода СИГНАЛИЗАЦИИ, справа через дефис цвет провода на АВТОМОБИЛЕ. (Пример Желто-черный — к сине-черному.)
Разъем X1
— Синий и зеленый — провода тянем в водительскую дверь и подключаем к замку 2 и 7 контакты. — Черно-красные — кидаем на +12 (соединяем с красный проводом разъема Х2) — Зелено-черный и сине-черный — кидаем на массу
Разъем Х2
— Красный — кидаем на +12 (Я взял с замка зажигания, Розовый) — Черный — на массу — Зелено-черный — к синему (подключал слева к жгуту проводов в пороге) — Зелено-желтый — к синему с черной полосой (подключал слева к жгуту проводов в пороге)
Разъем Х3
— Серый — тянем под капот и подключаем к сирене — Черно-красный использовал для блокировки стартера и бензонасоса для подключения нужно 2 реле 4х или 5 контактные — Желто-черный открытие багажника, через доп. реле — Серо-черный — к тахометру, либо к серо-черному проводу на модуле зажигания, либо к коричнево-красному в блоке ЭУР, я взял с блока ЭУР — Синий — подключил к доводчику ЭСП, на отрицательный импульс, нужно запрограммировать Остальные доп. каналы не подключал.
Разъем Х4
— Желтый — к 15 контакту замка зажигания, синий. — Сине-красный — коричневый с синей полосой (стояночный тормоз) Через диод разрываем провод в разрыв ставим диод и подключаем диод, схема ниже — Сине-черный — красный с зеленой полосой. Т.к. у меня концевой был только в водительской двери, пришлой ставить на другие двери 3 концевика, остальные концевики которые мы установили подключаем к красно-зеленому проводу, можно просто подключить, но будет гореть индикация и пищать ключ при открытии любой двери, я сделал через 2 диода при открытии других дверей приборка не пищит, а сигнализация видит открытую дверь. Схема ниже — Оранжево-белый — черный с белой полосой. Тянул провод в багажник к плафону освещения багажника, подключал через диод — Оранжево-серый к концевику капота. тянем под капот.
источник
Советы от профессионалов
- Устанавливая систему на Ладу Весту, скрепляя провода между собой, в любых точках соединения, следует использовать исключительно специально-предназначенные для этого клеммы. Обычные смотки не позволят вам добиться надежного и безопасного контакта. Помните, что безопасность превыше всего.
- Не экспериментируйте и не изменяйте устройство и схему вашей сигнализации. Прежде всего, это повлечет за собой моментальное снятие вашего устройства с гарантии, а также – это может стать причиной поломок и неисправностей в дальнейшем.
- Перед проведением работ в основных точках крепления, удостоверьтесь, что у вас есть весь необходимый инструмент, для выполнения работы.
Используя эти основные правила, вы сможете установить любую простую систему защиты на вашу Ладу. Если вы совершенно ничего не понимаете в электрике, то лучше обратиться в автосервис, где специально обученные люди сделают все за вас, это будет намного безопаснее и эффективнее.
Лада Гранта цвет бургундия › Бортжурнал › Инструкция по установке сигнализации Star Line на Гранту

Всем привет и ассаляму алейкум, начал установку сигналки, в принципе ничего сложного нет, главное делать все по инструкции, процесс фоткаю (позже выложу отчет)а пока для себя размещу тут нужную мне инфу, что бы при установке заглядывать в телефон, если что нибудь забуду=)
1. Снимаем облицовку рулевого вала Лада Гранта (крепление на 7 саморезах)
2. Откручиваем 3 самореза крепления приборного щитка Лада Гранта, снимаем его (нижняя правая часть крепится на защелках).Затем откручиваем 4 самореза крепления приборного щитка, отсоединяем разъем и вынимаем его
4. Устанавливаем светодиод в левую стойку лобового стекла Лада Гранта, датчик удара на кронштейн кузова слева от руля,сервисную кнопку в любое удобное место, антенну на лобовое стекло
5. Устанавливаем сирену, датчик температуры и концевик капота. Провода в салон прокладываем через штатное уплотнение
6. Блок сигнализации устанавливаем за щитком приборов Лада Гранта
7. Подключаем массу сигнализации
8. Большинство подключений осуществляем в левом пороге, концевики задних дверей устанавливаем дополнительные, ручной тормоз подключаем согласно схеме 1
9. Подключаем концевик багажника возле штатного концевика согласно схеме 2
10. Для управления ЦЗ в водительскую дверь необходимо установить дополнительный привод. Снимаем обивкудвери открутив 3 самореза на лицевой панели и 2 в нижней части обивки
11. В жгуте замка зажигания подключаем зажигание, стартер и питание сигнализации
12. Контроль работы двигателя подключаем на модуле зажигания
13. Настраиваем датчик удара и программируем параметры запуска двигателя
14. Проверяем работу системы.
15. Сборка салона производится в обратной последовательности.
Схему подключения откройте в отдельном окне(приведена в конце инструкции)
Точки подключения Лада Гранта
Цепь Цвет Полярность Расположение+ 12V Розовый Положительная Замок зажиганияIGN_1 Синий Положительная Замок зажиганияStart Красный Положительная Замок зажиганияПовороты Синий; Синий/чёрный Положительная Левый порогБензонасос Серый ПоложительнаяКонцевик водителя Красный/зелёный ОтрицательнаяРучник Коричневый/синий ОтрицательнаяКонцевик водителя Красный/зелёный Отрицательная ПриборкаРучник Коричневый/синий ОтрицательнаяЦентральный замок Установить электропривод в водительскую дверь, если нет электропривода в двериБагажник Белый/чёрный Отрицательная Жгут в багажнике (ставим диод)Тахометр Коричневый/красный ИмпульсыВ комплектации норма можно взять на блоке электроусилителя руля
Если автомобиль с крашеными бамперами (комплектация норма), то дополнительный активатор ставить не надо, 2 и 7 контакт на замке двери подключаем по силовой схеме. Замки в дверях Калиновские, активатор встроен внутри, только провода не протянуты.Концевик двери есть только водительский. Остальные нужно установить и подключить к водительскому концевику, т.е. к красному/зелёному в пороге. Концевики такие же, как подкапотный на Приоре. Концевики придётся брать с разъёмом и проводками.
Ключ-брелок и его функции
Управляющий брелок представляет собой эргономичный, 3-х кнопочный чипованный ключ без индикационной панели. Он не обладает возможностью диалогового сопровождения основных функций управления сигнализацией. Основная задача брелока — надёжно передать управляющий сигнал без контроля его исполнения. Функционально это выглядит следующим образом:
- на брелоке имеется 3-и кнопки управления; правая, передняя кнопка управления брелока №1 – разблокировка автосигнализации Лады Приора;
- левая, передняя кнопка управления брелока №2 – разблокировка капота или багажника;
- центральная, задняя кнопка управления брелока №3 – активация функции охраны автомобиля;
при нажатии кнопки №3;
- блокируются все двери Лады;
активизируется общий режим охраны Лады Приора;
поворотники мигнут только один раз;
будет подан один звуковой сигнал;
лампа индикации ИММО Лады начнёт медленно мигать;
при 2-х кратном нажатии (или удержании) кнопки №3;
- будет активированы замки дверей машины без постановки её на охрану;
автомобиль подаст 3-х кратный световой сигнал;
при нажатии кнопки №3 в режиме охраны, Лада Приора будет снята с охраны при закрытых дверях. При этом поворотники мигнут 2-а раза;
при нажатии на кнопку №1;
- автомобиль будет снят с охраны;
он подаст 2-х кратный световой сигнал;
водительская дверь Лады Приора будет разблокирована. Остальные – будут закрыты. Для их открытия следует нажать кнопку №1 ещё раз;
если за 25 сек. ни одна из дверей Лады не будет задействована, то она заново встанет на охрану;
кнопка №2 выполняет свои функции только в случае оборудования багажника или капота электронным запирающим устройством;
- однократное нажатие кнопки брелока — открывает багажник;
следующее нажатие – закрывает;
заблокировать двери Лада Приоры можно как с помощью ключа с брелоком, так и при нажатии кнопки на дверях изнутри салона машины.
Выбор и установка сигнализации на Ладу Весту

Покупка новой машины не должна омрачаться постоянными тревогами по поводу ее сохранности. Конечно, КАСКО на Лада Веста решает проблему угона с финансовой стороны, однако моральный ущерб не менее велик. Именно поэтому владельцы седана стараются защитить свою покупку установкой сигнализации.
Причем нередко отдать предпочтение какому-либо комплексу не удается, да и с монтажом могут возникнуть сложности. Ведь многие желают сэкономить и установить сигнализацию на Весту самостоятельно. Некоторым наоборот, доставляет удовольствие сам процесс совершенствования и оборудования своего седана.
Места для установки
Теперь следует узнать, где искать в машине на сигналке этот самый датчик удара и как найти сенсоры сигнализации. Вообще автомобиль имеет несколько основных точек, на которые эти устройства обычно устанавливаются.

Первым делом необходимо заглянуть в инструкцию изготовителя охранной системы. Если датчики входят в комплект, там обычно прописывается список точек и зон, где лучше всего ставить датчик удара от конкретной сигнализации. Чаще всего установка выполняется в стандартные места, куда вероятно может быть нанесён удар. Если окажется, что автомобилист неправильно поставил сенсор, он может срабатывать без объективных причин либо не включаться в те моменты, когда это действительно необходимо.
Даже тот факт, что злоумышленник может знать о том, куда обычно принято устанавливать сенсоры, никак не помогут ему избежать срабатывания, если для доступа к машине требуется разбить стекло или попытаться выломать дверь.
Когда сенсор находится в правильных точках и расположен в соответствии с рекомендациями производителя, степень защиты транспортного средства заметно повышается. Там, где не предусматривается установка сенсора удара, некоторые всё равно ставят вспомогательный датчик. Насколько он будет полезным, либо наоборот, создавать дополнительные сложности, зависит от конкретной ситуации.
Можно выделить несколько основных рекомендаций, касающихся размещения сенсоров:
- датчики лучше монтировать на металлической части кузова с внутренней части машины;
- желательно, чтобы сенсор стоял симметрично относительно оси авто;
- нельзя крепить устройство на днище машины;
- не рекомендуется монтировать сенсоры на пластиковых элементах, поскольку это ведёт к снижению чувствительности;
- эксперты советуют ставить датчик на щите, который разделяет салон и моторный отсек;
- обычно сенсоры монтируют на все двери, багажную дверь и капот.

Окончательное решение касательно размещения датчиков удара следует принимать исходя из рекомендаций производителя сигнализации, советов мастеров по установке и доступного количества сенсоров.
Лада Калина Кросс мистер Моркоу › Бортжурнал › Датчик удара к штатной сигналке.
И так наконец то дошли руки установить датчик сигналки.
Крикнул клич в нашем Авторадиоклубе и мне отдали ненужный датчик удара старлайн.
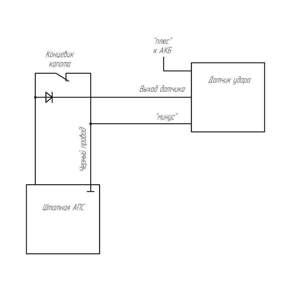
Так как в новых калинах сигналку совместили с мозгами и не вывели контакта для дополнительного датчика (как на люксовых калинах 1) пришлось подключать по совету LKforum-а к концевику капота.Для этого я купил кнопку капота, о чем писал ранее.
Купленную кнопку капота я разобрал, чтобы использовать как переходник:

Пружинку удалил и спаял все вот по такой схеме:



Красный провод — плюс через предохранитель.Голубой — сигнал датчика.Черный — масса.
Датчик приклеил под капотом:



После этого настроил чувствительность.Пришлось подключить к предварительному каналу (датчик двухуровневый). Т.к. на основном слишком грубо получилось.Все проверили, все работает.При сильном пинании по колесу или ударом кулаком по крыше, сигналка начинает орать.
Теперь о минусах данной установки.
Приехал домой с дачи. Ставлю на сигналку — пикает, что дверь не закрыта (в данном случае капот).Странно.Было уже темно, разбираться не стал. Перекинул родной провод на кнопку и поставил нормально на сигналку как раньше.
На следующий день стал разбираться что к чему.Подключил датчик. Ставлю на сигналку — все ОК.Чесал затылок, много думал…
Короче родной разъем концевика со стороны проводов заизолирован хорошо (специальной прокладочкой). А в покупной… Туда набухали термоклея и всего делов.В результате от горячего двигателя и уличной жары термоклей размягчился и контакты отошли.
Стал советоваться: что с этим делать? И как его лечить?Мне уважаемый человек и говорит:«Фигню ты придумал. Настанет осень, пойдут дожди и зальет у тебя там все. Провода отгниют и начнет все это глючить и вопить по ночам. А это уже черевато целосностью лобовухи.»
Стал опять думать и чесать затылок…
Было решено перенести этот датчик на место старой сигналки в калине 1 (под заднее сиденье).Поключить к концевику задней левой двери (до него доступ проще чем до концевика передней двери).А питание датчика взять от прикуривателя, т.к. у нас он не отключается с зажиганием).
В салоне сухо и не так жарко. Термоклей не растает и глючить ничего не должно.
Когда перенесу, то все зафоткаю и покажу как это сделать.
Сигнализация у дилера
На самом деле Лада Веста комплектуется сигнализацией с завода, начиная с базовой комплектации Classic, что указано в списке оборудования. Однако знают об этом далеко не все автовладельцы. Кроме того, в отзывах некоторые из них упоминают, что интересовались данным вопросом и менеджер в салоне прямо говорил им, что сигнализация на авто отсутствует, параллельно предлагая установку на месте.
Наглядная демонстрация штатной сигнализации Весты:
Сигнализация на Весте имеется, однако она далеко не эталон по части защиты машины. Как отмечают владельцы, от незаконного проникновения в багажный отсек или салон Весты она все же спасет (скорее всего), однако снятие колес никоим образом не предотвратит.
Заказать сигнализацию на Весту можно у дилера, но это будет недешево.
Как показывает практика, от установки сигнализации у дилера многие все же отказываются, мотивируя это ценой, которая колеблется в пределах 19000 рублей, вместе с установкой. В ответ ОД пугает новоиспеченных владельцев снятием автомобиля с гарантии, однако, это спорный вопрос.
Как происходит работа у подушек безопасности приора
Сущность действия газогенераторного элемента, расположенного в подушке, заключается в следующем:
- Сам газогенератор будет производить газ непосредственно внутри модуля: он наполнит надувную подушку безопасности.
- Здесь же произойдет воспламенение уже вещества пиротехнического происхождения при помощи запала, который вмонтировано в сам корпус этого газогенератора.
Есть два вида газогенераторов:
Первый будет состоять из такого корпуса, который будет наполнен твердым пиротехническим веществом свойства и самим запалом-воспламенителем. Что же касается второго, то он будет состоять из корпусного материала, в котором находится сжатый газ инертного происхождения, а также все уже вышеперечисленные составляющие.
Работа газогенератора будет проходить по следующему алгоритму:
- При ударе будет идти электрический сигнал.
- Сопротивление электричества разогреется и зажжет пиротехническое вещество.
- Воспламеняется вся остальная масса.
Самостоятельная установка сигнализации на Весту
Как правило, проблем с монтажом не возникает, ведь современные комплексы выпускаются в блочном виде.
Основные компоненты сигнализации:
- ЭБУ;
- Пульт ДУ;
- Чувствительные датчики (движения, удара и т. д.);
- Передатчик;
- Кабели и соединения.
Для начала требуется тщательно изучить инструкцию, чтобы понять алгоритм подсоединения и крепления кабелей. После этого можно начинать работу.
Сперва нужно снять пластиковые панели, которые закрывают центральную консоль, после чего вынуть магнитолу. Далее ЭБУ фиксируется в нише, сразу за магнитолой.
Демонтаж пластика и установка ЭБУ,
Затем следует подключить питание. При этом провод красного цвета подключается к такому же красному, что в замке зажигания.
Чтобы провести подключение световой защиты, необходимо подсоединить провод белого цвета к клавише аварийной сигнализации.
Главное — все делать так, как указано в инструкции.
Недопустимо самовольное изменение схемы подключения, так как это спровоцирует аннулирование гарантийного талона. Кроме того, специалисты рекомендуют для соединения проводов использовать не обычные хомуты и стяжки, а специальные клеммы.
Установка сигнализации в Лада Веста своими силами позволит сэкономить около 4000 руб., ведь именно столько стоит установка сигнализации.
Как проверить наличие подушек безопасности
Многие интересуются, как проверить наличие подушек безопасности в автомобиле. Такая проверка не представляет собой особенной сложности и проводится в несколько последовательных этапов. Сначала тщательно осматривают автосалон визуально. Если подушки имеются, это можно узнать по наличию надписей Airbag или SRS на заглушках в тех местах, где им полагается находиться. Чтобы удостовериться, что они есть, надо снять одну из этих заглушек и посмотреть, есть ли она в открывшемся месте. Для проверки её наличия в руле надо освободить колесо управления от специальной накладки, а также выяснить, что находится за ней.

Визуальный осмотр салона транспортного средства
В последние годы, к сожалению, фиксируется немало случаев, когда при продаже автомобиля его владельцы прибегают к обману покупателей, заменяя в машинах отработавшие своё устройства весьма похожими на них муляжами, а старые заглушки – новенькими. Всё объясняется банально. Так, заменять сработавшие подушки на новые – занятие не из дешёвых, подчас их цена достигает нескольких десятков тысяч рублей. Поэтому неминуем второй этап проверки – на работоспособность, предполагающий очень внимательный визуальный осмотр салона. Доказательствами обмана, подтверждающего, что машина продаётся после ДТП и подушки в ней – «халтурные», могут быть следующие признаки:
- цвет заглушек не идентичен цвету общей цветовой гаммы внутренней обивки салона;
- по царапинам, прочим деталям можно предположить, что обшивки кресел восстанавливались после того, как устройство сработало;
- на заглушках есть вмятины, потёртости, сколы или царапины;
- видно, что менялось лобовое стекло.
В этих и других подозрительных случаях надо снять заглушку, внимательно осмотреть оболочку подушки и газогенератор (пиропатрон), отвечающий за её функционирование. Если на них замечены царапины, можно с большой уверенностью предполагать, что продавец пытается обмануть покупателя, выдавая желаемое за действительное, то есть, действующей подушки в машине нет.

Проверка работоспособности
Наличие подушки ещё вовсе не означает, что она выдержит тест на исправность и нормально сработает при необходимости. Поэтому для полной уверенности следует проверить имеющуюся в наличии подушку на предмет её работоспособности, для чего испытать несколько разных способов: с помощью датчика удара, тестера и прочее.
Как проверить датчик удара подушек безопасности
Проверить работоспособность подушки безопасности поможет сенсор – датчик удара. Для этого необходимо понаблюдать, как ведёт себя расположенная на панели приборов сигнальная лампочка. Требуется сделать поворот ключом зажигания. Если лампочка, на которой изображена подушка, не тухнет, в отличие от прочих индикаторов, можно сделать вывод о большой вероятности неисправности датчика удара. Если лампочка вовсе не горит, то, скорее всего, она специально отключена хозяином автомобиля, то есть он что-то скрывает. К сожалению, искусство подделок достигло такого высокого уровня, что иной раз, даже если индикатор работает отменно, это ещё не стопроцентная гарантия того, что устройство сработает чётко.
Как проверить подушку безопасности тестером
Узнать, срабатывали ли подушки безопасности раньше, можно также измерением сопротивления пиропатрона обычным тестером. Для этого надо:
- выключить зажигание и вынуть ключ;
- снять с аккумулятора клеммы;
- разобрать устройство безопасности.
Тест вставить в режиме омметра и проверить уровень сопротивления в месте разъёма защитного устройства. Если будет отклонение от нормы, это сигнал того, что подушка, вероятнее всего, уже срабатывала. Поскольку мошенники пытаются обойти и этот способ проверки, для неё желательно взять себе в помощники опытного мастера.
Детальное описание и расположение датчиков
КСУД — контроллер системы управления двигателем (каталожный артикул 21127141102062). Это основной датчик, который принимает данные о состоянии технического средства от систем.

Установлен в моторном отсеке, слева по ходу движения машины. Вмонтирован в пластиковый корпус вместе с силовыми предохранителями.
- отсутствие данных на дисплее при запуске двигателя;
- частичное отображение данных;
- звуковое сопровождение в ходе работы.
Ресурс эксплуатации неограниченный согласно данных руководства по эксплуатации. На практике, не больше 5 лет, после чего нуждается в замене новым.
Датчик температуры охлаждающей жидкости (артикул 2190-1306010). Контролирует температуру в системе охлаждения автомобилем. При достижении критической отметки сигнализирует на приборную панель для уведомления водителя.
Установлен в корпусе крышки термостата. Срок эксплуатации – 75-85 тыс. км. Ремонту не подлежит.

- некорректное отображение рабочей температуры;
- дисплей неактивный;
- нестабильное отображение градуса.
Датчик детонации (артикул 2346015900). Предназначен для фиксации высокочастотных колебаний блока цилиндров, которые возникают при сгорании топлива.

Расположен на внешней стенке блока цилиндров. Срок эксплуатации неограниченный. Ремонту не подлежит.
- затрудненный запуск двигателя;
- нестабильная работа мотора на холостых оборотах.
Датчик положения коленчатого вала (артикул 8200701972-В). В режиме онлайн пересылает ЭБУ данные о частоте вращения коленвала, угле наклона.

Установлен в отверстии прилива крышки масляного насоса. Ресурс – 80-90 тыс. км. Ремонту не подлежит.
двигатель не заводится на протяжении длительного времени.














































