Скачивание книги
После успешного прохождения платежа (любым способом) и возврата в магазин KrutilVertel с сайта платежной системы Вы попадаете на страницу успешной оплаты:
Купленная Вами книга будет находиться в Вашем личном кабинете, откуда ее всегда можно будет скачать.
Обратите внимание, что после совершения оплаты, Вам необходимо вернуться обратно с сайта платежной системы на сайт KrutilVertel. В случае, если по каким либо причинам Вы не вернулись обратно на сайт и закрыли вкладку платежной системы с сообщением про успешное прохождение платежа, сообщите нам об этом — мы вышлем Вам письмо в котором будет указан доступ для скачивания книги
В случае, если по каким либо причинам Вы не вернулись обратно на сайт и закрыли вкладку платежной системы с сообщением про успешное прохождение платежа, сообщите нам об этом — мы вышлем Вам письмо в котором будет указан доступ для скачивания книги.
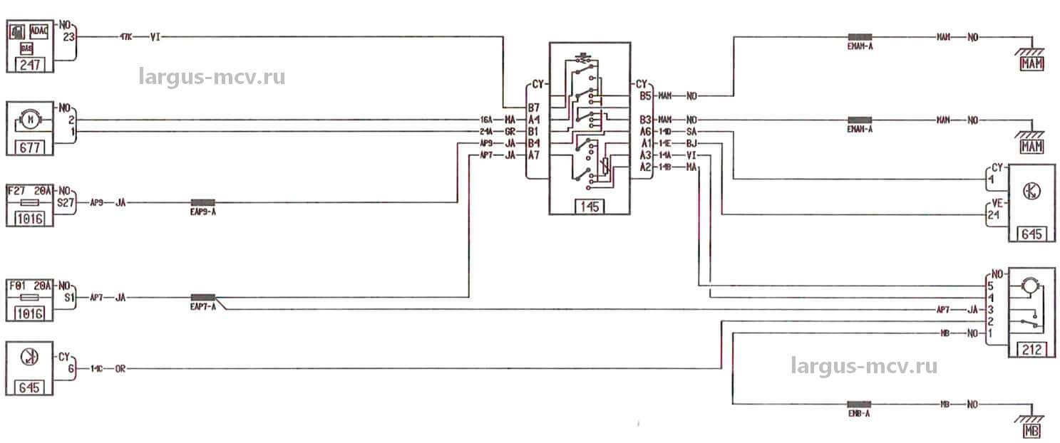
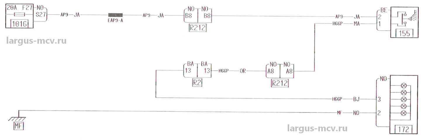
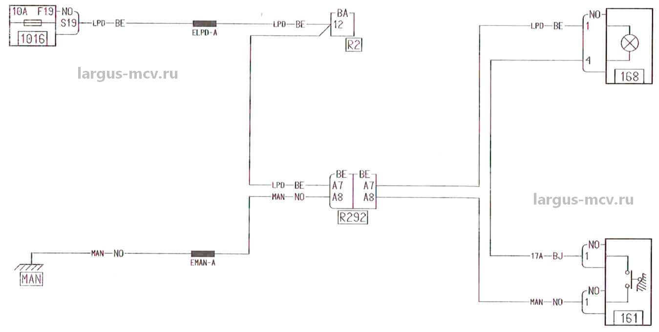
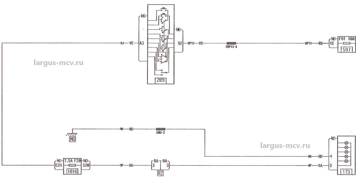
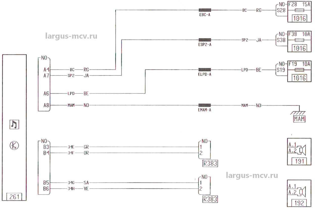
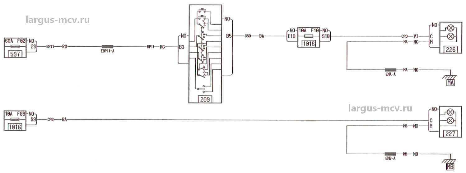
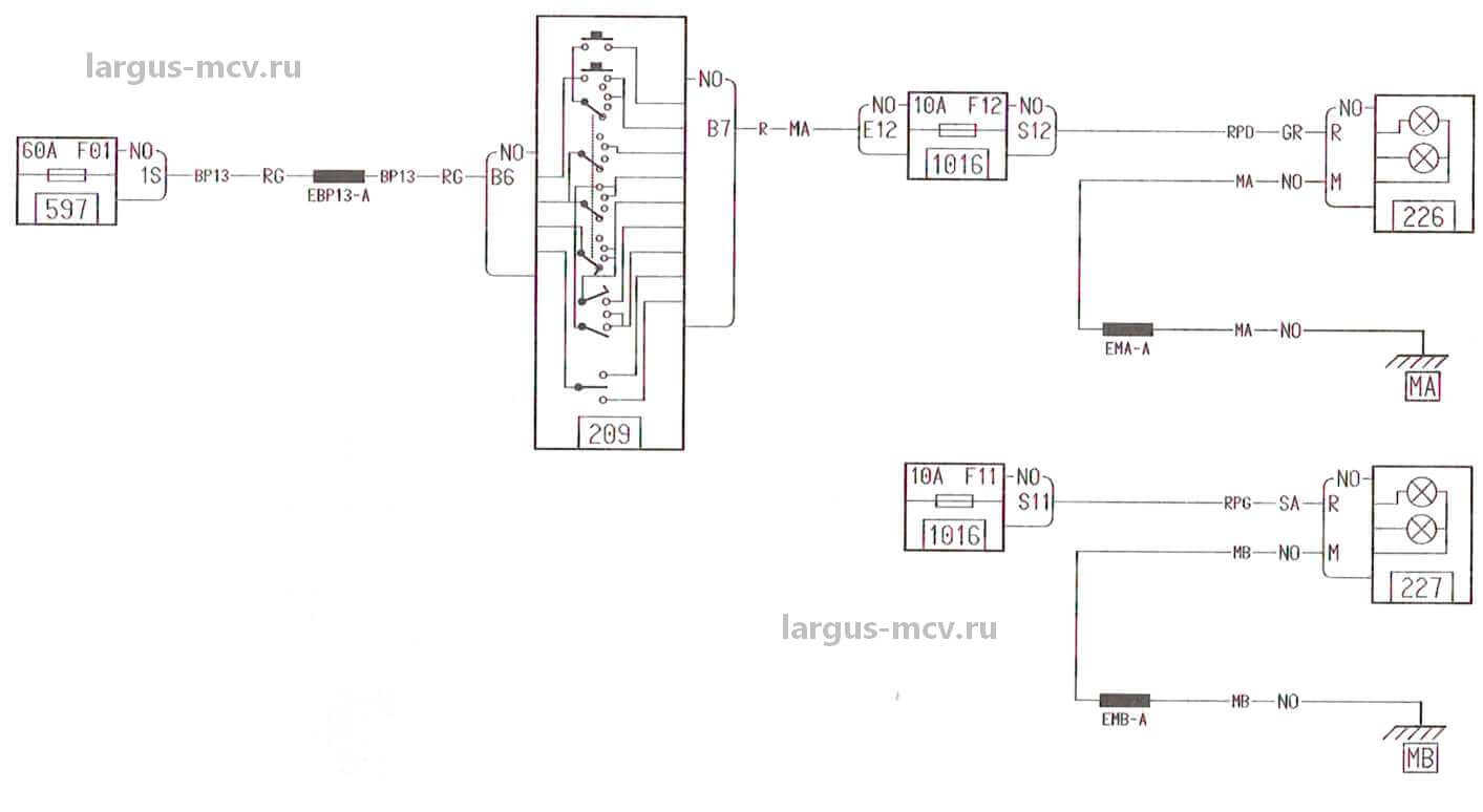
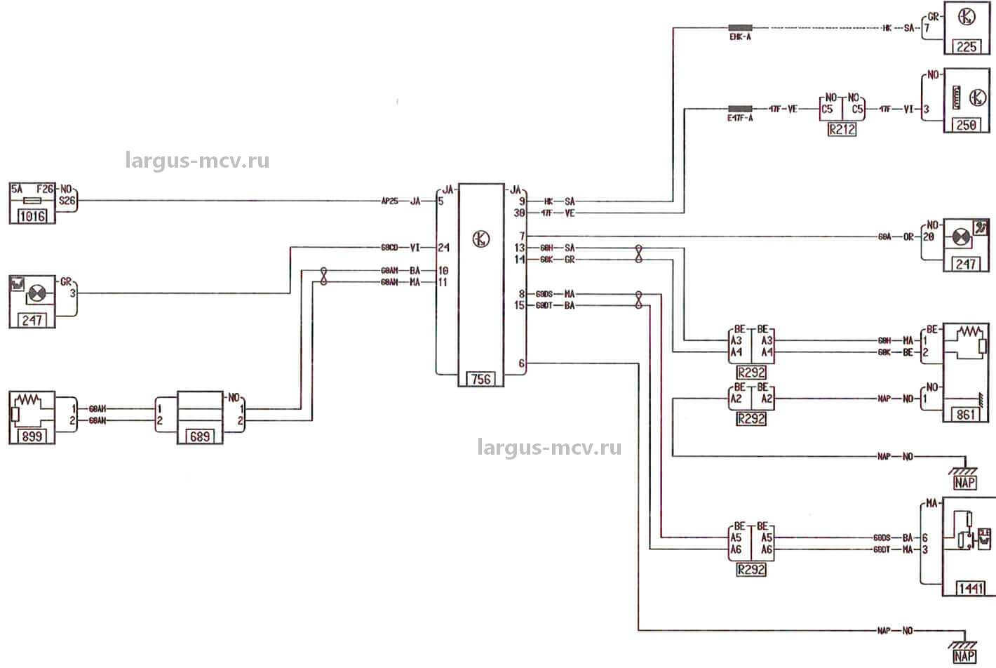
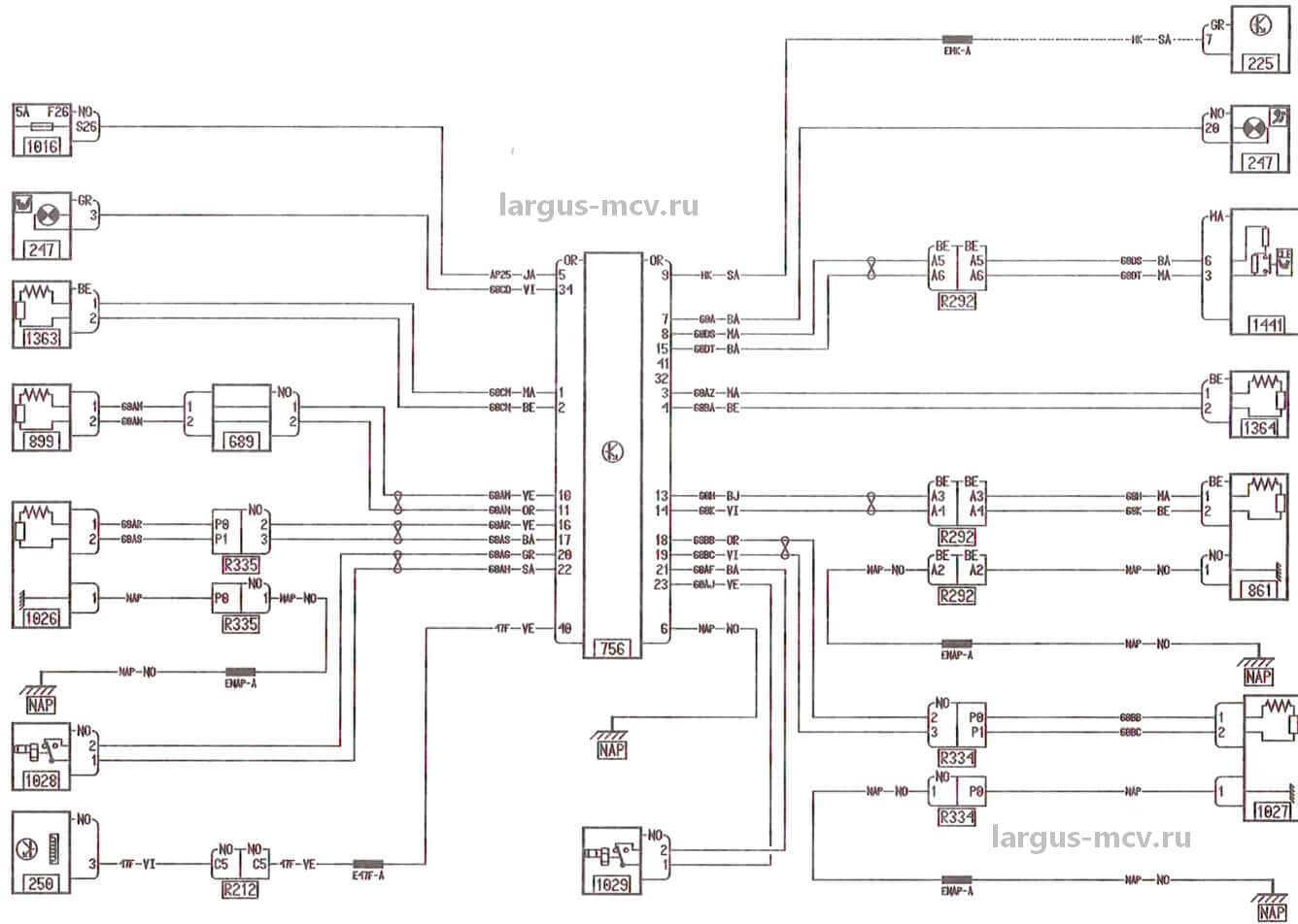
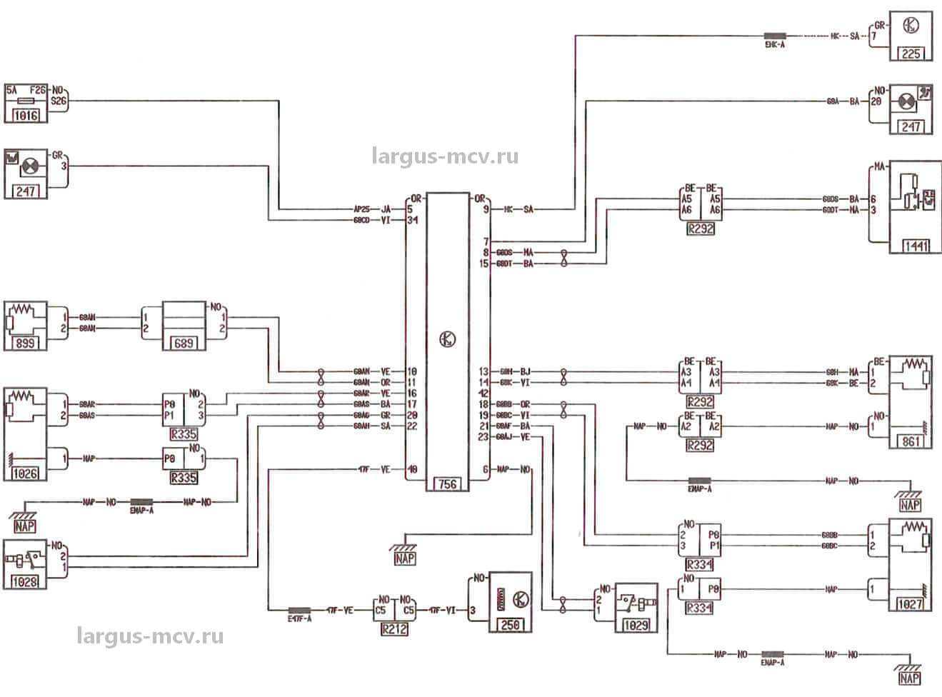
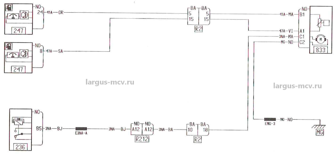
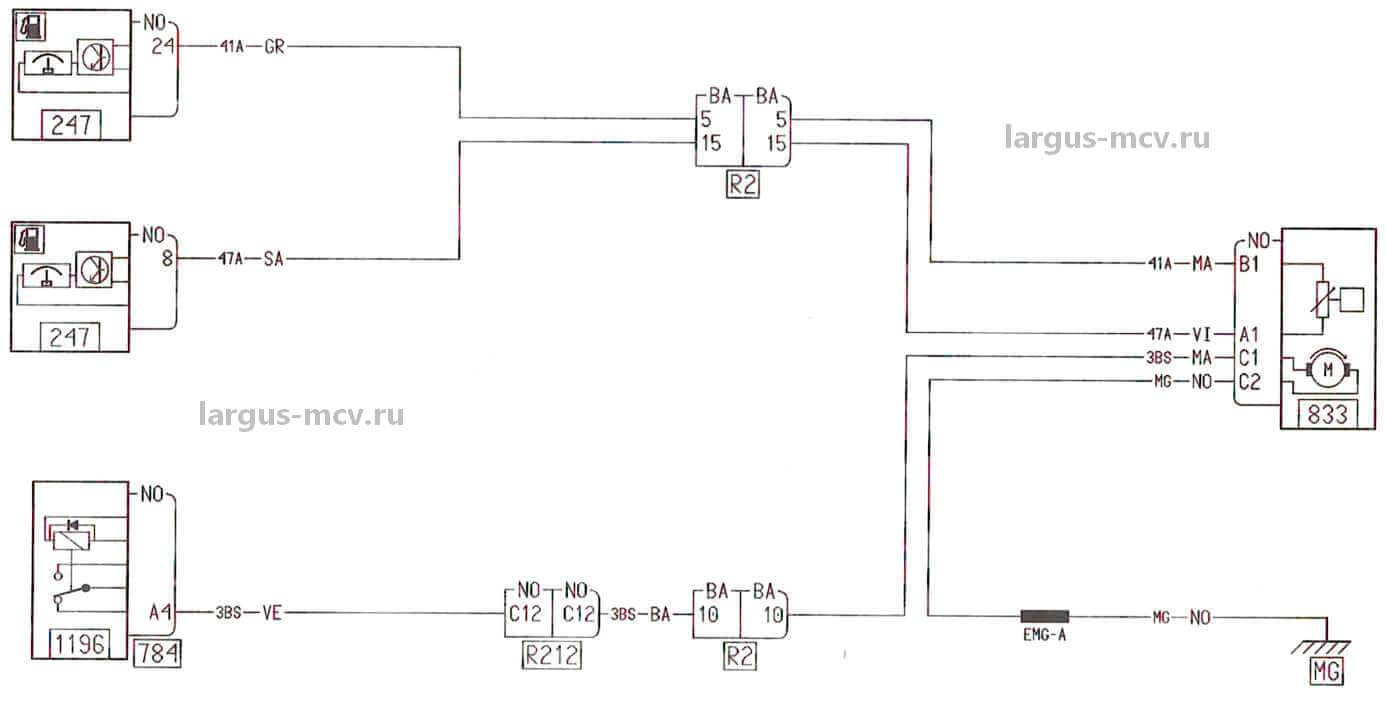
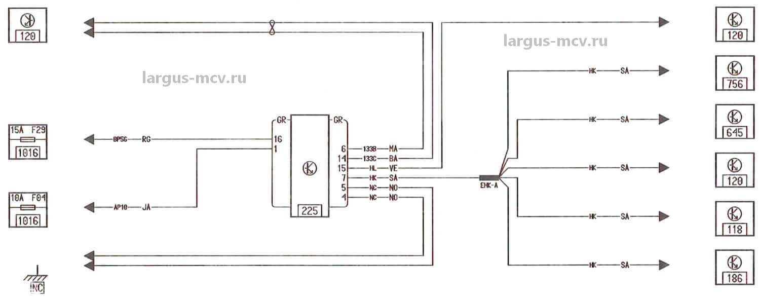
Все электрические схемы автомобиля Lada Largus
Ниже приведены все электросхемы автомобиля. Данная ч/б подборка наиболее полная. Список цветных схем приведён в меню слева. Пояснения к соединениям и цепям, цветам разъёмов на схемах (обозначены цифрой и буквой) находятся тут. Перечень приборов, (обозначенных на схемах цифрами) находится тут Все схемы кликабельны и развёртываются в новой вкладке.
КАК ЧИТАТЬ ЭЛЕКТРИЧЕСКУЮ СХЕМУ
Как читать принципиальную схему (пример схемы):

| 4 | Цвет разъема |
| 5 | Схема разъема |
| 6 | Схема подсоединения |
| 7 | Цвет разъема |
| 8 | Номер платы, к которой подключен прибор |
| 9 | Номер прибора |
| 10 | Номинальный ток предохранителя |
| 11 | Расположение предохранителя на плате |
| 12 | Цвет держателя |
| 13 | Номер соединения |
| 14 | Номер места сращивания проводов |
| 15 | Номер соединения с «массой» |
| 16 | Вспомогательный элемент |
| 17 | Номер главы |
| 18 | Номер листа |
| 19 | Схема подсоединения |
| 20 | Код цепи (позволяет определить назначение провода), см. перечень цепей |
Схема управления электроприводами замков дверей (замки с функцией «центральный замок» и ДУ)


Схема включения генератора, гидроусилителя рулевого управления

Схема включения генератора, стартера, АКБ (двигатель К7М710)

Схема включения генератора, стартера (двигатель К7М710)

Цепь заряда АКБ (двигатель К4М690)

Цепь запуска двигателя (двигатель К4М690)

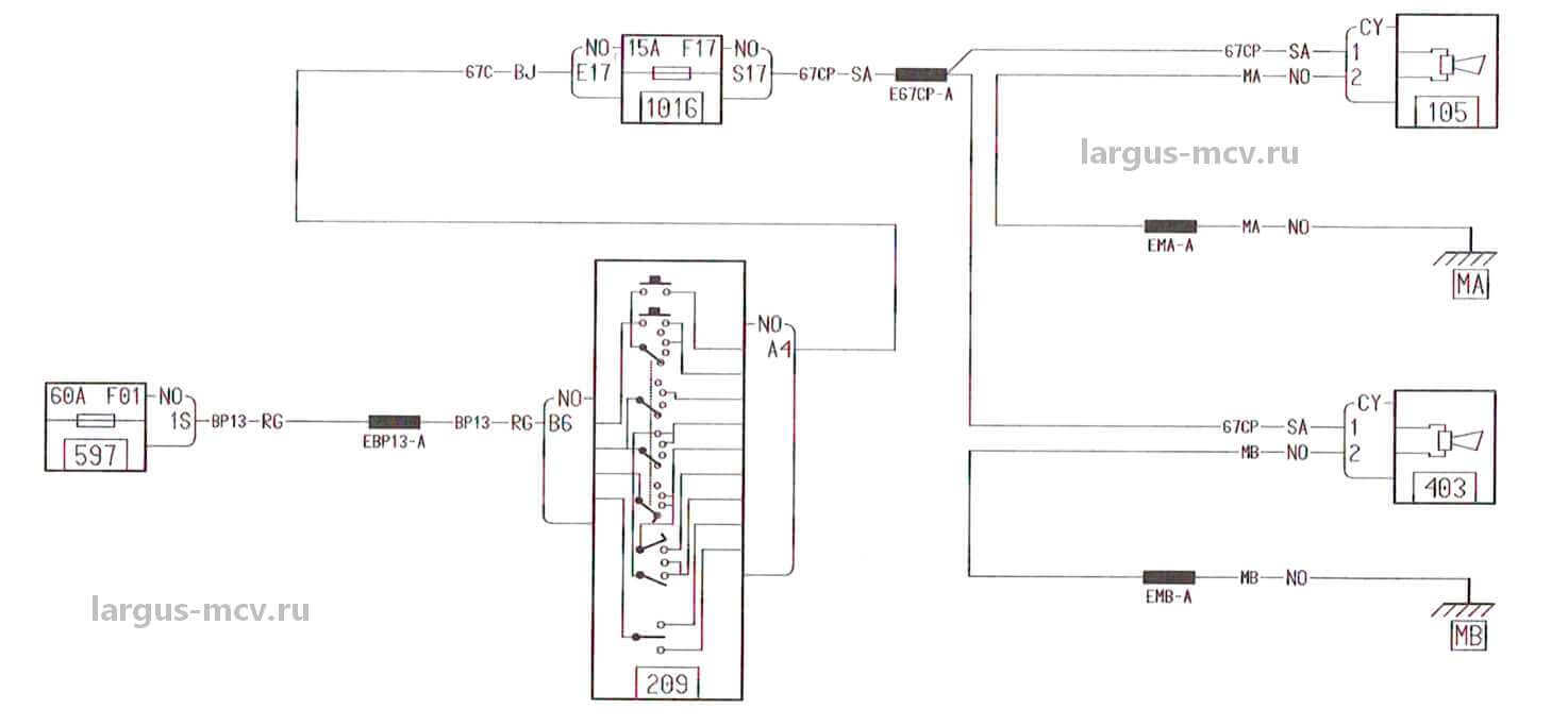
Цепь включения звукового сигнала

Блок предохранителей в салоне

АКБ, блок предохранителей и реле в моторном отсеке

АКБ, блок предохранителей и реле в моторном отсеке (реле впрыска) (двигатели К4М690, К7М710)


АБС, датчики скорости колес

АБС, лампы стоп-сигналов

Датчик скорости автомобиля (передняя боковая подушка безопасности, двигатель К4М690)

Датчик скорости автомобиля (подушка безопасности водителя, двигатель К7М710)

Система кондиционирования и система охлаждения двигателя (климатическая установка, двигатель К4М690)

Система кондиционирования воздуха и система охлаждения двигателя (климатическая установка, двигатель К7М710)

Указатели поворотов и аварийной сигнализации

Электрообогрев заднего стекла

ЭЛЕКТРОСТЕКЛОПОДЪЕМНИКИ ЗАДНИХ ДВЕРЕЙ

ЭЛЕКТРОСТЕКЛОПОДЪЕМНИКИ ПЕРЕДНИХ ДВЕРЕЙ

НАРУЖНЫЕ ЗЕРКАЛА ЗАДНЕГО ВИДА С ЭЛЕКТРОПРИВОДОМ И ОБОГРЕВОМ

СТЕКЛООЧИСТИТЕЛИ ПЕРЕДНЕГО И ЗАДНЕГО СТЕКЛА, СТЕКЛООМЫВАТЕЛИ (с очистителем заднего стекла)

СТЕКЛООЧИСТИТЕЛЬ ПЕРЕДНЕГО СТЕКЛА И СТЕКЛООМЫВАТЕЛЬ (без очистителя заднего стекла)


ПЛАФОН ОСВЕЩЕНИЯ БАГАЖНИКА (семейство F90, замки дверей с функцией «центральный замок» и ДУ)

ПЛАФОН ОСВЕЩЕНИЯ БАГАЖНИКА (семейство К90, замки дверей с функцией «центральный замок» и ДУ)

ПЛАФОН ОСВЕЩЕНИЯ САЛОНА (семейство К90, семь мест, замки дверей с функцией «центральный замок» и ДУ)

ПЛАФОН ОСВЕЩЕНИЯ САЛОНА (семейство К90, пять мест, замки дверей с функцией «центральный замок» и ДУ)

ПЛАФОН ОСВЕЩЕНИЯ САЛОНА (семейство F90, замки дверей с функцией «центральный замок» и ДУ)

ПРАВЫЙ ЗАДНИЙ ФОНАРЬ, ВЫКЛЮЧАТЕЛЬ СВЕТА ЗАДНЕГО ХОДА

ВЫКЛЮЧАТЕЛЬ СИГНАЛЬНОЙ ЛАМПЫ СТОЯНОЧНОГО ТОРМОЗА

ОСВЕЩЕНИЕ ВЕЩЕВОГО ЯЩИКА

ГАБАРИТНЫЕ ОГНИ (с подсветкой вещевого ящика)

ЗАДНИЕ ПРОТИВОТУМАННЫЕ ФОНАРИ


ЭЛЕКТРОВЕНТИЛЯТОР СИСТЕМЫ ОХЛАЖДЕНИЯ ДВИГАТЕЛЯ (обычная система отопления, двигатель К4М)

АУДИОСИСТЕМА С ЧЕТЫРЬМЯ ГРОМКОГОВОРИТЕЛЯМИ

АУДИОСИСТЕМА С ДВУМЯ ГРОМКОГОВОРИТЕЛЯМИ

АУДИОСИСТЕМА БЕЗ ГРОМКОГОВОРИТЕЛЕЙ

ДАТЧИК ДАВЛЕНИЯ МАСЛА

Датчик уровня тормозной жидкости

БЛИЖНИЙ СВЕТ ФАР

ДАЛЬНИЙ СВЕТ ФАР

СИСТЕМА НАДУВНЫХ ПОДУШЕК БЕЗОПАСНОСТИ ДВУХ-КАНАЛЬНАЯ (подушка безопасности водителя, подушка безопасности пассажира)

СИСТЕМА НАДУВНЫХ ПОДУШЕК БЕЗОПАСНОСТИ ОДНО-КАНАЛЬНАЯ (подушка безопасности водителя)

СИСТЕМА НАДУВНЫХ ПОДУШЕК БЕЗОПАСНОСТИ (СНПБ) С БОКОВЫМИ ПОДУШКАМИ БЕЗОПАСНОСТИ И ПРЕДНАТЯЖИТЕЛЯМИ РЕМНЕЙ БЕЗОПАСНОСТИ

СИСТЕМА НАДУВНЫХ ПОДУШЕК БЕЗОПАСНОСТИ (СНПБ) С БОКОВЫМИ ПОДУШКАМИ БЕЗОПАСНОСТИ

ДАТЧИК УРОВНЯ ТОПЛИВА И ТОПЛИВНЫЙ НАСОС

ДАТЧИК УРОВНЯ ТОПЛИВА И ТОПЛИВНЫЙ НАСОС (модуль электробензонасоса)

КОМБИНАЦИЯ ПРИБОРОВ (маршрутный компьютер)

КОМБИНАЦИЯ ПРИБОРОВ (антиблокировочная система)

КОМБИНАЦИЯ ПРИБОРОВ (без антиблокировочной системы, без системы навигации)

КОМБИНАЦИЯ ПРИБОРОВ (маршрутный компьютер, антиблокировочная система)

ЦЕНТРАЛЬНЫЙ КОММУТАЦИОННЫЙ БЛОК В САЛОНЕ (ЦЭКБС)

Приемное кольцо (катушка связи) системы электронной противоугонной блокировки запуска двигателя


ЭСУД Автомобиля с двигателем К4М (рулевое управление с усилителем)

ЭСУД автомобиля с двигателем К7М (рулевое управление с усилителем)
Источник
Секретное меню ммс lada vesta
Мало кто знает, что у штатной мультимедийной системы Весты есть секретное сервисное меню. Оно содержит следующие функции:
- Software — версия ПО, прошивка и др.
- System status — статус системы.
- Data save — сохранение данных.
- Key test — тест ключей.
- Fan test — тест вентилятора.
- Decoct test
- Initialize — инициализация.
- RVC test
- Diagnostic — диагностика.
- Screen Adjust — регулировка экрана, калибровка.
- GPS test — тест GPS (спутники).
- Activation Mac — активация Mac.
- Screen test — тест экрана (можно сделать его темным, чтобы не слепил).
- Backlight test — тест подсветки.
- Can test — Can тест.
Как попасть в этом меню мы рассказывали тут.
Как поменять батарейку на брелке лада веста
В этой статье автомастер Алексей Бакулин общается с читателями на тему «Как поменять батарейку на брелке лада веста?».
Доброго всем времени суток, уважаемые читатели и подписчики! На днях решил поменять батарейку в штатном ключе. Очень не хотелось бы, чтобы в самый неподходящий момент она села. Как известно, никаких болтиков или саморезиков в штатном ключе нет. Но тем не менее, все очень просто. Берем обычную отвертку с плоской битой, поддеваем в отверстие в нижней части корпуса, но предварительно, необходимо открыть ключ (как на фото):
В комплекте с автомобилем Лада Веста идут два пульта управления зажиганием: один основной, другой – запасной. Базовый (выкидной) пульт имеет на своем корпусе три кнопки. Первые две отвечают за опцию блокировки и разблокировки замков, а третья кнопка отвечает за функциональность багажника. Запасные ключи зажигания Лада Веста отличаются недостатком: происходит задержка подачи сигнала двери при нажатии. Вторым пультом покупатель воспользуется в случае утери основного. Запасной ключ зажигания Lada Vesta не имеет опции открытия и закрытия автомобиля и предназначен для использования в критической ситуации.
Ключ от Лада Веста
Чтобы открывать дверь автомобиля способом, который пригоден для случаев, когда аккумулятор заряжен, нужно снять колпачок в правой части водительской ручки, которая выглядит как обычная. Необходимо раскрыть заглушку в специфической щели, используя подходящий предмет. Колпак, под которым находится замок, сидит плотно и не снимается голыми руками.
Зная как открыть Весту без ключей, автовладелец сможет сэкономить нервы и время. Повторяя всей действия с заглушкой, на машине с севшим аккумулятором, нужно заменить его или зарядить. Если нет питания для батареи, необходимо найти паз на любой из ручек двери, кроме водительской. Она откроется с помощью жала пульта управления.
Кнопки потребляют энергии, поэтому нужно помнить о заряде батареи и вовремя менять ее. Первым признаком низкого заряда будет служить медленный отклик при нажатии. Выкидной ключ Лада Веста синхронизируется со стандартной батареей. Для того чтобы сменить ее нужна отвертка. Пульт открывается с выдвинутым лезвием, иначе можно испортить корпус и микросхемы. Инструмент вставляется в отверстие средней линии корпуса и простым движением разделяет пульт на две половинки. Поменяв батарею, нужно легким защелкивающим движение собрать изделие.
Как поменять батарейку в ключе
В соответствии с модификацией и комплектацией автомобиля, ключ от Лада Веста обладает различной формой (от самого простого до современного складного).
Исходя из этого, имеется возможность сделать его самостоятельно.
- На рынке в продаже имеются заготовки. Нужно знать модель автомобиля, иначе плата не подойдет по габаритам;
- Вторымэтапомстанеткопированиежала. Еслиисключениякрепежаизкорпусанедостаточно, разбирается само изделие, апослезатачиваетсяжалоключазажигания Lada Vesta;
- Наконец, для завершения работы, следует запрограммировать чип, контактирующий с сигнализацией. Мастерам, умеющим руководить паяльником, нет проблем совершить такую операцию.
В некоторых комплектациях автомобилей Лада (XRAY, Веста, Ларгус, Гранта, Калина или Приора) может использоваться ключ зажигания с встроенным пультом дистанционного управления (заводская сигнализация), который управляет центральным замком. Если он перестал работать, первым делом попробуйте поменять элемент питания.
| Lada Vesta и XRAY | Лада Приора, Гранта, Калина | Лада Ларгус |
| Батарейка CR2032, 3В | Батарейка CR2032, 3В | Батарейка CR2016, 3В |
Для автомобилей Lada Vesta, Ларгус и XRAY. Если четкость и дальность действия блока дистанционного управления снижаются, необходимо заменить батарейку.
Для автомобилей Лада Приора, Гранта и Калина. Если напряжение питания пульта дистанционного управления в пределах нормы, то при каждом нажатии на любую кнопку пульта индикатор загорается короткой вспышкой. Если он загорается двумя короткими вспышками или не загорается вообще, значит элемент питания следует заменить.
Для Lada Vesta/XRAY: раскрыть корпус ключа, отщелкивая фиксаторы по периметру при помощи тонкой шлицевой отвертки.
Для Lada Largus: вывернуть винт крепления (крестовая отвертка), а затем раскрыть корпус ключа, отщелкивая фиксаторы по периметру при помощи тонкой шлицевой отвертки.
Для Lada Priora/Kalina/Granta: вывернуть винт крепления (крестовая отвертка), а затем раскрыть корпус ключа, отщелкивая фиксаторы по периметру при помощи тонкой шлицевой отвертки.
Распиновка разъема R107 — РАЗ. ЭЛПРОВ. ПРИБ. ПАН./ПЕР. ЧАСТИ ДВИГ. для Renault Clio II 1998-2008 2003-01-01
| Распиновка разъема R107 — РАЗ. ЭЛПРОВ. ПРИБ. ПАН./ПЕР. ЧАСТИ ДВИГ. для Renault Clio II 1998-2008 2003-01-01 |
|
Подключаемся к цэбкс
Потребуется:
Инструкция:
1. Подключить K-Line адаптер к диагностическому разъему OBDII.
2. Запустить DDT2000 Light (зажигание можно не включать).
3. Все настройки электрооборудования расположены во вкладках Конфигурация UCH или Параметры UCH
Значения функций этих вкладок с переводом:
Назначение кнопкок:
- lecture — чтение;
- oui — да;
- non — нет;
- envoi — отправка.
Что можно изменить:
- Вкл/выкл ПДУ ключа.
- Применение ПДУ ключа с одной кнопкой или перевод ключа с двумя кнопками на работу центрального замка от одной кнопки, т.е. открытие/закрытие центрального замка от кнопки «Закрыть» ПДУ ключа по кругу.
- Перевод кнопки «Замок» на передней панели на работу центрального замка от одной только верхней кнопки, т.е. открытие/закрытие центрального замка от кнопки «Открыть» на панели приборов по кругу.
- Включение/отключение питания плафона освещения салона.
- Включение/отключение функции работы плафона при открытии дверей.
- Перевод плафона из режима плавного затухания в режим отключения сразу при закрытии дверей.
- По центральному замку имеется возможность изменить время автоблокировки замков дверей, если таковые были разблокированы ПДУ ключа, и если не была открыта любая дверь. По умолчанию установлено 30 сек, также можно вкл/выкл данную опцию.
- По салонному свету имеется возможность изменить время плавного гашения (по умол. 30 сек) и время работы плафона если он был включен вручную (по умол. 30 мин).
- По поворотникам и аварийке имеется возможность изменить частоту мигания и частоту тона зуммера.
- По обогреву заднего стекла и зеркал заднего вида имеется возможность изменить время работы (по умол. 12 мин).
- Имеется возможность настроить очиститель ветрового стекла при использовании омывателя (по умол. кратковременное нажатии на включение омывателя дворник делает один взмах, при удержании — три взмаха), также настраивается временная составляющая нажатия.
- Активация штатной сигнализации.
- Блокировка замком дверей при определенной скорости.
- Звуковое предупреждение о превышение скорости
Теперь подробней по некоторым пунктам.
Блок управления наружным освещением, подсветкой приборов и направлением пучков света фар lada priora
Блок управления наружным освещением и подсветкой приборов расположен на панели приборов, слева от рулевой колонки.Переключатель наружного освещения 1 имеет три фиксированных положения.
Блок управления наружным освещением, подсветкой приборов и направлением пучков света фар:1 — переключатель наружного освещения;2 — регулятор освещения приборов;3 — регулятор направления пучков света фар;4 — клавиша выключателя ламп противотуманного света в задних фонарях В крайнем левом положении рукоятки переключателя — наружное освещение выключено. В среднем положении рукоятки — включены лампы габаритного света, подсветки панели приборов и освещения номерного знака. При повороте рукоятки вправо помимо вышеупомянутых ламп включается ближний или дальний свет фар, в зависимости от положения левого подрулевого переключателя.При включенном габаритном свете, вращая кольцо регулятора 2, можно изменять яркость освещения приборов. Регулятор направления пучков света фар 3 предназначен для регулировки угла наклона пучков света фар в вертикальной плоскости в зависимости от загрузки автомобиля. Совмещение неподвижной метки на корпусе и цифры на кольце переключателя обеспечивает регулировку фар при следующих вариантах загрузки автомобиля:0 — водитель и пассажир на переднем сиденье;1 — водитель и четыре пассажира или водитель и груз в багажном отделении;1,5 — водитель, четыре пассажира плюс груз в багажном отделении;3 — водитель и пассажир, полностью загружено багажное отделение.Лампы противотуманного света в задних фонарях включаются нажатием клавиши 4 при включенном ближнем или дальнем свете фар. При этом в клавише выключателя светится контрольный индикатор желтого света.Выключается противотуманный свет в задних фонарях повторным нажатием клавиши.Выключение противотуманного света в задних фонарях происходит автоматически, если ближний или дальний свет фар будет выключен.
5. ЦЭКБС (центральный электронный коммутационный блок в салоне) – общая информация, снятие и установка
Общая информация
1. ЦЭКБС (центральный электронный коммутационный блок в салоне) расположен под левой частью панели облицовки. ЦЭКБС он выполняет большое количество функций, которые обычно выполнялись отдельными компонентами и реле.
2. ЦЭКБС необходимо программировать для каждого отдельного автомобиля. Вы не сможете просто установить ЦЭКБС с другого автомобиля. Обычно, программное обеспечение и все сохраненные настройки системы существующего ЦЭКБС загружаются в диагностический прибор, а затем сгружаются в новый ЦЭКБС (при условии, что диагностический прибор совместим с ЦЭКБС).
3. Для моделей автомобилей, описываемых в данном руководстве, существует два типа ЦЭКБС в зависимости от типа ключа, который используется. Среди всего прочего, ЦЭКБС также контролирует следующие функции:
- Указатели поворотов и световая аварийная сигнализация.
- Стеклоочистители ветрового стекла и заднего окна.
- Переключатели запирания дверей и стеклоподъемников.
- Запирание дверей во время движения (отпирание при ударе).
- Сигнальный индикатор открытия двери.
- Сигнальный индикатор центрального замка.
- Подсветка при открытии дверей с таймером.
- Дистанционное управление.
Управление электростеклоподъемниками одним нажатием кнопки.
- Система иммобилайзера.
- Распределение питания и управление стартером
- Звуковой сигнал в салоне.
- Соединения звукового сигнала.
- Таймер подогрева заднего окна
- Режим дневного освещения фар головного освещения.
- Элементы управления освещением.
- Световые датчики.
- Элементы управления омывателем фар головного освещения.
- Датчики дождя.
- Насос омывателя ветрового стекла.
- Запирание двери багажного отделения.
Снятие
4. Отсоедините отрицательную клемму аккумуляторной батареи.
5. Снимите перчаточный ящик со стороны пассажирского сиденья, как описано в главе 11 данного руководства.
6. Отсоедините электрические разъемы от опорного кронштейна, затем отсоедините их (смотрите иллюстрации).

7. Удалите болт крепления и снимите ЦЭКБС c направляющей.
Установка
8
Установка выполняется в порядке, обратном снятию, при этом обратите внимание на следующие пункты
9. Убедитесь, что ЦЭКБС установлен должным образом на панель облицовки.
10. Убедитесь, что все электрические провода направлены должным образом.
11. Новый ЦЭКБС необходимо запрограммировать.
Оплата через PayPal
После выбора оплаты через PayPal запустится платежная система PayPal, где требуется выбрать способ оплаты банковская карта или аккаунт PayPal.
Если у Вас уже есть аккаунт PayPal, то Вам необходимо зайти в него и осуществить платеж.
Если у Вас нет аккаунта в PayPal, и Вы хотите оплатить с помощью банковской карты через PayPal, Вам необходимо нажать на кнопку «Create an Account (Создать аккаунт)» — на рисунке показано стрелочкой.
После чего PayPal предложит вам выбрать Вашу страну и указать данные кредитной карты.
После указания данных, необходимых для осуществления платежа, надо нажать на кнопку «Pay Now (Оплатить)».
АКБ, генератор в Ларгусе
Эти устройства, как уже обозначалось, фигурируют в качестве источников питания сети. В Лада Ларгус весь комплекс электрооборудования функционирует на напряжении, равном стандартные 12 Вольт. Каждый из токоприемников посредством кабельных линий коммутирован с аккумулятором. Это необходимо для продолжения работы автомобиля при выходе из строя генераторной установки. Первый пуск мотора возможен именно благодаря присутствию батареи. Для универсальной LADA Largus производитель применяет свинцовые АКБ, являющиеся необслуживаемыми устройствами. Они не подразумевают последующие доливки электролитической жидкости. Если АКБ настигла полная разрядка, а подзарядить не представляется возможным, то такое изделие безоговорочно меняют.
Генератор LADA Largus обретает жизнь благодаря ременной передаче, установленной на шкивах мотора и рассматриваемого здесь узла. Выработка электричества осуществляется только в движении. В это же время происходит подзарядка батареи.

Проблемы при оплате банковскими картами
Иногда при оплате банковскими картами Visa / MasterCard могут возникать трудности. Самые распространенные из них:
- На карте стоит ограничение на оплату покупок в интернет
- Пластиковая карта не предназначена для совершения платежей в интернет.
- Пластиковая карта не активирована для совершения платежей в интернет.
- Недостаточно средств на пластиковой карте.
Для того что бы решить эти проблемы необходимо позвонить или написать в техническую поддержку банка в котором Вы обслуживаетесь. Специалисты банка помогут их решить и совершить оплату.
Вот, в принципе, и все. Весь процесс оплаты книги в формате PDF по ремонту автомобиля на нашем сайте занимает 1-2 минуты.
Если у Вас остались какие-либо вопросы, вы можете их задать, воспользовавшись формой обратной связи, или написать нам письмо на [email protected].
Lada Largus. Устройство, обслуживание, ремонт
книга по ремонту бесплатно

Автомануал по ремонту ВАЗ Lada Largus в электронном виде. Руководство будет всегда под рукой во время обслуживания и ремонта автомобиля, для этого его достаточно бесплатно скачать на планшет или телефон в формате pdf.
Перед использованием автомануала проверьте соответствие года выпуска и двигателя автомобиля.
Язык: русский
Формат: pdf
Размер: 44.8 Mb
Файл скачан 1123 раз(а)
Подробнее о том, как скачать книгу по ремонту ВАЗ Lada Largus бесплатно.
Да, вы можете бесплатно скачать книгу Lada Largus. Устройство, обслуживание, ремонт. Для этого не требуется никаких дополнительных действий, кроме непосредственной загрузки файла.
Блок под капотом
Он расположен с левой стороны подкопотного пространства рядом с аккумулятором и закрыт защитной крышкой.
Вариант 1
Фото — схема

Назначение
| F1 | Резерв |
| F2 5А | Цепи: постоянного питания ЭБУ системы управления двигателем; обмотки главного реле системы управления двигателем |
| F3 25А | Силовые цепи: реле топливного насоса и катушек зажигания; главного реле системы управления двигателем |
| F4 30А | Силовая цепь реле вентилятора системы охлаждения (на автомобиле без кондиционера) |
| F5 40А | Силовые цепи: реле кондиционера; реле малой скорости вентилятора системы охлаждения (на автомобиле с кондиционером); реле большой скорости вентилятора системы охлаждения (на автомобиле с кондиционером) |
| F6 25А
F7 50А |
Цепи блока управления ABS |
| F8 60А | Цепи: электропитания всех потребителей, запитываемых от выключателя зажигания; левого под рулевого переключателя |
| F9 40А | Цепь электропитания блока предохранителей в салоне |
| к1 | Реле большой скорости вентилятора системы охлаждения (для автомобиля с кондиционером) |
| к2 | Реле кондиционера |
| к3 | Реле малой скорости вентилятора системы охлаждения (на автомобиле с кондиционером) или реле вентилятора системы охлаждения (на автомобиле без кондиционера) |
| к4 | Реле топливного насоса и катушек зажигания |
| к5 | Главное реле системы управления двигателем |
| к6 | Реле прикуривателя |
| к7 | Реле противотуманных фар |
| к8 | Реле вентилятора отопителя |
Вариант 2
Схема

Обозначение
| 299-1 | 231(А) | Реле противотуманных фар |
| 753(B) | Реле насоса омывателя фар | |
| 299-2 | 233 | Реле вентилятора отопителя |
| 597-1 | F1 (60 A), F2 (60 А) | Электронный блок управления системами ABS и ESP |
| 597-3 | F1 (50 A). F2 (25 А) | Переключатель наружного освещения, блок предохранителей в салоне |
| 784 | 700(A) | Реле электро вентилятора системы охлаждения |
| 474(B) | Реле включения компрессора кондиционера | |
| 1047 | F1 (30 А) | Питание блока реле |
| F2 (25 А) | Питание реле системы впрыска | |
| F3 (5 А) | Питание реле системы впрыска, ЭБУ | |
| F4 (15 А) | Не используется | |
| 238(A). | Реле блокировки впрыска | |
| 236(B) | Реле топливного насоса |
Вариант 3

Схема

Расшифровка
| 43 | 25А Largus CNG: Система управления газовым питанием (LPG) |
| 44 | 25А Блок управления анти блокировочной системой (ABS) |
| 45 | 50А Блок управления анти блокировочной системой (ABS) |
| 46 | 60А Замок зажигания, защита бортовой сети (предохранители (F28-F32, F36), расположенные в салоне), цепи переключателя световой сигнализации |
| 47 | 60А Защита бортовой сети, блок предохранителей в салоне (предохранители, расположенные после выключателя зажигания), цепи переключателя световой сигнализации |
| 51 | 25А Топливный насос, контроллер системы управления двигателем, реле вентилятора системы охлаждения двигателя, реле блока управления двигателем, реле муфты компрессора кондиционера, катушки зажигания 1-4 цилиндров (ВАЗ 21129), катушка зажигания 2×2 (ВАЗ 11189), датчики кислорода, клапан продувки адсорбера, клапан управления длиной впускной трубы (ВАЗ 21129), форсунки, датчик фаз (ВАЗ 21129) |
| 52 | 40А Вентилятор системы охлаждения двигателя, муфта компрессора кондиционера |
| Реле | |
| R1 | Largus CNG: Система управления газовым питанием (LPG) |
| R2 | Отопитель |
| R3 | Передние противотуманные фары |
| R4 | Топливный насос |
| R5 | Блок управления двигателем |
| R6 | Вентилятор системы охлаждения двигателя (высокая скорость) |
| R7 | Муфта компрессора кондиционера |
| R8 | Вентилятор системы охлаждения двигателя (низкая скорость) |
Остались вопросы? Задавайте их в комментарии.
Замена предохранителей на Лада Ларгус
- Комплект новых предохранителей;
- Ветошь;
- Дополнительное освещение, если недостаточно естественного света;
- Новые реле для замены.
- Машину устанавливаем на ровную платформу, открываем водительскую дверь;
- С торца торпеды отщелкиваем пластиковую крышку, под которой расположен монтажный блок с предохранителями;
- Пластиковым пинцетом поочередно извлекаем каждый из модулей, проверяем исправность. Это рационально, если мы не знаем точный номер неисправного модуля.

С целью упрощения процесса идентификации и поиска модулей на плате, с тыльной стороны крышки нанесена маркировка, распиновка. На место неисправного предохранителя вставляем новый, защелкиваем крышку.
Замена модулей в дополнительном блоке не сложнее салона.
- Открываем капот, в левой верхней части моторного отсека, за АКБ находится монтажный блок;
- Отщелкиваем пластиковую крышку БП, щипцами извлекаем неисправный предохранитель;
- Если требуется замена реле – коммутатора, то дополнительно отсоедините клеммы от концевиков.
По завершении, устанавливаем крышку корпуса монтажного блока на штатное место. Запускаем двигатель, проверяем работу агрегатов.

Средний ресурс эксплуатации отечественных предохранителей 50 – 55 тыс. км. Зарубежные аналоги «выхаживают» на 5 – 10 тыс. км. дольше. Если возникают трудности с установкой монтажного блока, заменой предохранителей – обратитесь к специалистам автомастерской. От качества работ зависит функциональность ряда механизмов, агрегатов на автомобиле.






























