Автомобильные сигнализации
Автомобильные сигнализации. Справочник для тех, кто хочет самостоятельно выбрать, произвести установку, настройку, необходимый ремонт сигнализации своей машины. Справочник будет полезен как для практикующих установщиков и ремонтников, так и для широкого круга автомобилистов. В нем подробно рассматриваются характеристики автосигнализаций, программирование брелков, системы, общие параметры установки, специальные функции, отличающие одну систему от другой. Причем рассмотрены базовые модели, на которых построен модельный ряд, состоящий из нескольких подтипов, которые могут незначительно отличаться комплектацией, дополнительными опциями.
Инструкция по ремонту лада ларгус скачать бесплатно
Руководство по ремонту и эксплуатации автомобиля Лада ларгус — Lada Largus.
Имя:
Руководство по ремонту и эксплуатации автомобиля Лада ларгус — Lada Largus.Издательство: Третий римГод выпуска: 2012Язык: РусскийФормат файла: pdfРазмер: 636,47 мб.
Описание:
Красивый иллюстрированный мануалруководство по ремонту Лады Ларгус , также руководство по техническому обслуживанию и эксплуатации Lada Largus, устройство Лада Ларгус с кузовом: универсал и фургон выпускаемого с 2012 года, установленными бензиновыми двигателями К4М 16 кл -1,6 л. и К7М 8кл — 1,6 л.
Руководство поможет всем обладателям автомобилей поддерживать машину в хорошем рабочем состоянии, с экономить на техническом обслуживании и ремонте, деньги и свое время, а работникам СТО и автосервисов это цветное иллюстрированное издание поможет в выполнении своей качественной работы.
В руководство по ремонту ВАЗ Лады Ларгус
входят более 3000 цветных фото снимков, четко отображая весь процесс диагностики и ремонта всех систем и агрегатов Lada Largus, а также ремонт ДВС Лада Ларгус, все тех. характеристики Лады Ларгус, самые распространенные неполадок и методы по их устранению от ведущих профессионалов, в пошаговом режиме.
Пособие предназначено, не только для профессиональных автосервисов с дорогим оборудование а рассчитано на простых смертных занимающихся ремонтом и техническим обслуживанием своего автомобиля ВАЗ Лада Ларгус в гаражах оборудованные под мастерские имеющие не большие навыки в этом и простой, общедоступный инструмент для этого, который можно приобрести в любом авто магазине или рынке.
Ремонт всех компонентов, многочисленных узлов и конкретных деталей ВАЗ Лады Ларгус в каждом разделе руководства по ремонту Лады Ларгус
сформированы в удобной пошаговой инструкции от простого к наиболее сложному: от элементарно простейших, но полезных начинающим, действий по самостоятельному плановому обслуживанию, необходимым регулировкам и настройкам систем и механизмов VAZ Лада Ларгус, монтажа демонтажа деталей подлежащих замене, до долговременного и тщательного ремонта вышедших из строя агрегатов, с которыми без определенных навыков и дополнительных технических знаний просто не обойтись.
В руководстве по ремонту ВАЗ Lada Largus
имеются следующие разделы: — Устройство VAZ Лады Ларгус – общий обзор сведений о модели а так же паспортные данные Lada Largus ВАЗ, приборы и панели управления автомобилем. — Предписания по эксплуатации Лада Ларгус ВАЗ – подготовка автомобиля перед выезду, пожелания для безопасности движения — Неисправности с автомобилем в дороге – методы выхода из той или иной ситуации. — Тех. обслуживание VAZ Lada Largus – полное руководство в пошаговом иллюстрированом формате. — Данные для ремонта автомобиля Лады Ларгус ВАЗ компонентов таких как, двигатель, рулевое управление, ходовая часть, тормозная система, трансмиссия – указанны все важные настройки этих систем, малый и большой ремонта машины, разборка и сборка всех важных узлов и каждого по раздельности агрегатов ВАЗ Лады Ларгус и много информации полезной для пользователя. — Кузов Лады Ларгус ВАЗ — характерные и конструктивные особенности, обоих вариантов кузовов и замена в этих кузовах, вышедших из строя элементов. — Электрооборудование Лады Ларгус ВАЗ – нахождение и удаление неисправностей в основных цепях и блоках — Электрическая схема-техника Лады Ларгус ВАЗ – упрощение автолюбителю поиск неисправностей в электрооборудовании.
В разделы мануала руководство по ремонту Лады Ларгус ВАЗ
вошли все нужные данные без который ни как не обойтись авто владельцу VAZ Lada Largus, с цветными иллюстрациями подробно описывающий весь процесс ремонта и обслуживания автомобиля в гаражных условиях в пошаговом режиме от простого к сложному.
3.4 из 5 (56 )
Автомануал по ремонту ВАЗ Lada Largus является оцифрованной копией бумажного руководства. Електронная версия, загруженная в планшет или телефон, будет всегда под рукой во время обслуживания и ремонта автомобиля. Вы можете бесплатно скачать книгу по ремонту ВАЗ Lada Largus в формате pdf напрямую с сайта.
4) Разряженный аккумулятор
Срок службы автомобильных аккумуляторов в среднем составляет 3-4 года, или 80 000-100 000 км. Батарея обычно стареет со временем, как и любой аккумулятор в вашем смартфоне. Чем чаще батарея проходит циклы разрядки/зарядки, тем быстрее она теряет способность поддерживать нормальный уровень заряда и определенное количество ампер. Вот почему старые аккумуляторы в телефоне и в машине быстро заряжаются и также быстро разряжаются.
В том числе поврежденный генератор переменного тока и другие компоненты зарядки могут ускорить проблему с аккумулятором
Вот почему важно заменить старую батарею где-то через 80 000 км, или спустя 3 года после использования (что наступит раньше). Причем это стоит сделать, даже если нет признаков износа батареи
Согласитесь, лучше не дожидаться ситуации, когда, выйдя с работы или из торгового центра в сильный мороз, вы не сможете завести двигатель.
Скачивание книги
После успешного прохождения платежа (любым способом) и возврата в магазин KrutilVertel с сайта платежной системы Вы попадаете на страницу успешной оплаты:
Купленная Вами книга будет находиться в Вашем личном кабинете, откуда ее всегда можно будет скачать.
Обратите внимание, что после совершения оплаты, Вам необходимо вернуться обратно с сайта платежной системы на сайт KrutilVertel. В случае, если по каким либо причинам Вы не вернулись обратно на сайт и закрыли вкладку платежной системы с сообщением про успешное прохождение платежа, сообщите нам об этом — мы вышлем Вам письмо в котором будет указан доступ для скачивания книги
В случае, если по каким либо причинам Вы не вернулись обратно на сайт и закрыли вкладку платежной системы с сообщением про успешное прохождение платежа, сообщите нам об этом — мы вышлем Вам письмо в котором будет указан доступ для скачивания книги.
Схемы электрических соединений автомобиля LADA LARGUS и его модификаций
Схемы электрических соединений автомобиля LADA LARGUS — В альбоме представлены схемы электрических соединений кара LADA LARGUS c движками К4М(16кл) и К7М(8кл) ЕВРО-4 в комплектации с гидроусилителем рулевого управления, эпектростеклоподъемниками фронтальных и задних дверей ,с аудиосистемой, с центральным коммуникационным блоком салона, с системой надувных подушек сохранности, с электроприводом и электрообогревом внешних зеркал , с антиблокировочной системой тормозов, с системой кондиционирования воздуха. Электронные схемы разработаны в соответствии с конструкторской документацией на автомобили LADA LARGUS по состоянию на 01.11.2012 г.
Условные обозначение сложных элементов на автомобильных схемах — примеры схем
Теперь рассмотрим, как на электрической схеме обозначены более сложные и не стандартные элементы, такие как: стартер, катушка зажигания и другие и приведем несколько примеров схем, на которых они изображены. В различных схемах изображение таких элементов может меняться, но элементы всегда подписаны и интуитивно понятно нарисованы, по-этому, ниже будут приведены только некоторые из них, иначе эта статья растянется надолго.

- Аккумуляторная батарея (АКБ)
 - Замок зажинагия
 - Комбинация приборов
 - Выключатель
 - Стартер
 - Генератор
 
Если вы помните школьный курс физики, то найдете на схеме, представленной выше, уже знакомые обозначения, например: электромотор, диод, ключ, элемент питания, лампа накаливания. Эти, знакомые почти каждому, условные обозначения помогают понять смысл и назначение приборов в бортсети автомобиля, преобразующих электроэнергию.

- Катушка зажигания
 - Электронный блок управления двигателем (ЭБУ)
 - Датчик положения коленчатого вала
 
На этой схеме уже появляется такой более сложный элемент схемы как — блок управления или контроллер. Каждый элемент сети автомобиля, имеющий микросхемы или транзисторные ключи в своем составе, помечается значком с изображением транзистора
Обращаю ваше внимание на то, что в данном примере выше, изображены далеко не все выводы ЭБУ — только те, которые нужны именно на этой схеме. На схемах ниже вы так же встретите изображение ЭБУ

- Блок управления двигателем (ЭБУ)
 - Октан-корректор
 - Электромотор (в данном случае — бензонасос)
 - Датчик концентрации кислорода
 
На этой схеме еще раз изображен ЭБУ, но уже с другими выводами, кстати, по нарисованным ключам на ЭБУ можно понять, какую функцию в данном случае выполняет контроллер: замыкает данные линии на землю, то есть запитывает элементы, подключенные к этим проводам и плюсовой клемме АКБ.

- Электромагнитный клапан рециркуляции отработавших газов
 - Двухходовой клапан
 - Гравитационный клапан
 - Комбинация приборов
 - Электронный блок управления двигателем
 - Датчик скорости
 
На данном примере схемы мы встречаемся с изображением клапанов, прошу обратить внимание, что у двухходового клапана контакты пронумерованы, в отличие от остальных. На изображении датчика скорости изображен транзистор, значит в элементе присутствует полупроводниковый элемент

- Переключатель наружного освещения
 - Переключатель указателей поворота
 - Переключатель корректора фар
 - Корректор левой фары
 - Левая фара автомобиля
 - Корректор правой фары
 - Правая фара автомобиля
 
На данной схеме изображены элементы управления освещением автомобиля. У таких сложных переключателей как замок зажигания или переключатель наружного освещения имеется набор контактов, между которыми в различных положениях переключателя коммутируется ток. На схеме прекрасно видно, в каком режиме переключателя какие контакты соединяются.
Проблемы при оплате банковскими картами
Иногда при оплате банковскими картами Visa / MasterCard могут возникать трудности. Самые распространенные из них:
- На карте стоит ограничение на оплату покупок в интернет
 - Пластиковая карта не предназначена для совершения платежей в интернет.
 - Пластиковая карта не активирована для совершения платежей в интернет.
 - Недостаточно средств на пластиковой карте.
 
Для того что бы решить эти проблемы необходимо позвонить или написать в техническую поддержку банка в котором Вы обслуживаетесь. Специалисты банка помогут их решить и совершить оплату.
Вот, в принципе, и все. Весь процесс оплаты книги в формате PDF по ремонту автомобиля на нашем сайте занимает 1-2 минуты.
Если у Вас остались какие-либо вопросы, вы можете их задать, воспользовавшись формой обратной связи, или написать нам письмо на [email protected].
Особенности электрооборудования
Электросхема автомобиля Лада Приора включает в себя несколько основных элементов — переднюю и заднюю колодку, колодку контрольного щитка, а также системы управления мотором. Все эти элементы связаны друг с другом специальными штекерами, расположенными слева под центральной консолью, а также над монтажным блоком.только жгут контрольного щитка и системы управления ДВС находится в шахте системы отопления, со стороны водительского места. Также следует отметить, что задняя колодка и прибора подключены к управляющему устройству электропакетом, который находится в салоне машины.
Основные системы, которые включает в себя электросхема:
- отопительный узел, печка;
 - оптика, включающая в себя основные фары, габариты, противотуманные огни, поворотники;
 - система очистки лобового и заднего стекол, если это предусмотрено конструкцией автомобиля;
 - центральный замок авто;
 - электростеклоподъемники.
 
Диагностический тестер с контрольной лампой для проверки электроцепи
Скачивание книги
После успешного прохождения платежа (любым способом) и возврата в магазин KrutilVertel с сайта платежной системы Вы попадаете на страницу успешной оплаты:
Купленная Вами книга будет находиться в Вашем личном кабинете, откуда ее всегда можно будет скачать.
Обратите внимание, что после совершения оплаты, Вам необходимо вернуться обратно с сайта платежной системы на сайт KrutilVertel. В случае, если по каким либо причинам Вы не вернулись обратно на сайт и закрыли вкладку платежной системы с сообщением про успешное прохождение платежа, сообщите нам об этом — мы вышлем Вам письмо в котором будет указан доступ для скачивания книги
В случае, если по каким либо причинам Вы не вернулись обратно на сайт и закрыли вкладку платежной системы с сообщением про успешное прохождение платежа, сообщите нам об этом — мы вышлем Вам письмо в котором будет указан доступ для скачивания книги.
Общая информация
На ВАЗ-2109 находится сразу два источника электроэнергии — генератор и аккумуляторная батарея. После запуска силовой установки всё электрооборудование автомобиля получает питание от первого устройства.
АКБ необходима для подачи напряжения на стартер и другие потребители энергии в 12 В при отключённом двигателе.

Автолюбители, предпринимающие попытки найти в интернете информацию об электропроводке своего автомобиля, зачастую сталкиваются с некоторыми проблемами: дело в том, что выпускались модели с высокой и низкой панелью, а также инжекторной и карбюраторной системой. Кроме этого, встречается и экспортный вариант, оснащённый дополнительными опциями, отсутствующими в базовой комплектации, например, стеклоподъёмниками.
Чтобы точно определить, какая схема ВАЗ-2109 необходима владельцу автомобиля, следует разобраться со следующими факторами:
- Определить, какую панель имеет машина — высокую или низкую. Это можно выяснить по расположению приборов. Если авто имеет инжектор, то практически наверняка на нём установлена высокая панель.
 - Электросхема экспортного варианта аналогична базовому, за исключением дополнительных опций.
 - Если необходима схема электронной системы управления силовой установкой, то это отдельный документ, который необходимо скачать в дополнение к основному.
 
АКБ, генератор в Ларгусе
Эти устройства, как уже обозначалось, фигурируют в качестве источников питания сети. В Лада Ларгус весь комплекс электрооборудования функционирует на напряжении, равном стандартные 12 Вольт. Каждый из токоприемников посредством кабельных линий коммутирован с аккумулятором. Это необходимо для продолжения работы автомобиля при выходе из строя генераторной установки. Первый пуск мотора возможен именно благодаря присутствию батареи. Для универсальной LADA Largus производитель применяет свинцовые АКБ, являющиеся необслуживаемыми устройствами. Они не подразумевают последующие доливки электролитической жидкости. Если АКБ настигла полная разрядка, а подзарядить не представляется возможным, то такое изделие безоговорочно меняют.
Генератор LADA Largus обретает жизнь благодаря ременной передаче, установленной на шкивах мотора и рассматриваемого здесь узла. Выработка электричества осуществляется только в движении. В это же время происходит подзарядка батареи.

Электрооборудование автомобилей ВАЗ
У таких автомобилей как ВАЗ-классика различных моделей (ВАЗ 2101- 07) схема электрооборудования самая простая, особенно у машин с карбюраторными двигателями. Особой сложностью не отличается и электрооборудование автомобилей ВАЗ-2108-09 (карбюратор).
На автомобилях ВАЗ 2101-07 ранних выпусков устанавливается электрооборудование с простейшей системой зажигания (СЗ), в состав которой входит:
- свечи зажигания;
 - высоковольтные провода с наконечниками;
 - трамблер (прерыватель-распределитель);
 - катушка зажигания.
 
На подобной системе СЗ в прерывателе трамблера установлена контактная группа, а чтобы контакты меньше подгорали, в схему включен конденсатор. На более поздней «Классике» стала применяться бесконтактная СЗ – в схему был дополнительно включён коммутатор, а в трамблере вместо контактной группы прерыванием стал управлять датчик Холла.
На последних выпусках ВАЗ-классика зажиганием управляет электронный блок, в схеме СЗ есть датчики:
- холостого хода;
 - положения дроссельной заслонки;
 - положения коленвала;
 - массового расхода воздуха.
 
На карбюраторных ВАЗ 2108-09 также применялась простая СЗ, но уже с первых выпусков машин в схему был включён коммутатор и трамблер с датчиком Холла.
В схеме электрооборудования автомобилей ВАЗ также присутствует генератор, стартер, замок зажигания, электрическая проводка, блок предохранителей и прочие элементы. В современных автомобилях ВАЗ, таких как Chevrolet Niva, Lada Калина, Ларгус, Приора, Гранта, Datsun Mi-Do или On-Do используется система зажигания с электронным блоком управления, но в целом схема электрооборудования в этих машинах от более старых моделей принципиально ничем не отличается.
Возможные неисправности проводки
С какими неисправностями в работе бортовой сети автолюбитель может столкнуться:
- Само устройство не работает. Например, отказывается функционировать система обогрева заднего стекла либо электрический регулятор боковых зеркал. Есть вероятность, что причина кроется в самом устройстве либо предохранителе, который отвечает за его работоспособность.
 - Замыкание в электросети. Как сказано выше, проблема замыкания обычно проявляется в результате нарушения изоляции на том или ином участке. Чтобы не допустить этого, укладка проводов должна осуществляться в местах, где отсутствуют какие-либо движущиеся элементы.
 - Обрыв проводки. Данная неисправность характерна для многих авто российского производства.Чтобы не допустить обрыва, учтите рекомендации, описанные пунктом выше.
 - Выход из строя предохранительного элемента. Если вы замечаете, что в работе тех или иных приборов стали появляться неисправности, то для начала следует открыть монтажный блок и проверить целостность самого предохранителя. Есть вероятность, что проблема кроется именно в этом. Обычно предохранительные устройства ломаются из-за слишком высокого напряжения в бортовой сети. Если причина действительно кроется в перенапряжении, то для начала необходимо ликвидировать саму проблему, а уже потом менять предохранители.
 - Отсутствие контакта. Участок цепи при этом может быть целым, но контакт будет отсутствовать. Вероятнее всего, в данном случае проблема кроется в том, что провод немного отошел или контакт на его конце окислился. В таком случае производится зачистка контакта, для этого используется щетка или наждачка, после чего осуществляется повторное подключение провода.
 
2) Проблемы с подачей, впрыском и воспламенением топлива
Двигатель работает лучше всего, когда воздух и топливо правильно смешиваются и сгорают без остатка в камере сгорания. Чтобы эффективно завершить этот процесс, ряд компонентов топливной системы и системы зажигания должны работать слаженно, как часы.
Несмотря на то что многие движущиеся части помогают двигателю работать нормально, неправильная подача и впрыск топлива, а также пропуски зажигания являются одной из главных проблем при эксплуатации автомобиля. Чтобы уменьшить количество пропусков зажигания или устранить проблемы с впрыском топлива, проверьте работоспособность топливной системы и зажигание.
Что такое электрическая схема?
Отыщите конденсаторы, расположенные около входа каскада, а также на его выходе
Однако на самом деле разбираться в них важно для каждого автомобилиста, ведь если вы знаете, как читать электрические схемы, впоследствии сможете значительно сэкономить на услугах профессиональнов. Уметь читать такие схемы довольно важно для всех, у кого есть автомобиль, ведь это поможет сэкономить очень много денег на услугах специалиста
Как сказано выше, любая бортовая сеть включает в себя источники энергии, потребители, проводники, а также компоненты управления.
Датчик 3-х выводной.
Вам стоит определить место объединения электрода с выводом нагрузки, так как в данном месте усиленный сигнал полностью снимается с каскада. Типы цепей В первую очередь вам нужно научиться отличать стандартные цепи питания от сигнальных.
На схемах провод при входе в жгут имеет наклон в сторону, куда он проложен. Повышение температуры деталей ускоряет их окисление.
Именно по указанной причине многие люди, которые занимаются этим профессионально, штудируют специализированные учебники по схемотехнике.
Если то или иное число отмечено в кружке, то это говорит о том, что перед вами соединение проводника с минусом. Эти устройства обычно располагаются децентрализованным образом.
К примеру, ЗЧ — зелено-черный, ЖГ — желто-голубой и т.
Как читать электросхемы VAG, Часть 1
Проблемы при оплате банковскими картами
Иногда при оплате банковскими картами Visa / MasterCard могут возникать трудности. Самые распространенные из них:
- На карте стоит ограничение на оплату покупок в интернет
 - Пластиковая карта не предназначена для совершения платежей в интернет.
 - Пластиковая карта не активирована для совершения платежей в интернет.
 - Недостаточно средств на пластиковой карте.
 
Для того что бы решить эти проблемы необходимо позвонить или написать в техническую поддержку банка в котором Вы обслуживаетесь. Специалисты банка помогут их решить и совершить оплату.
Вот, в принципе, и все. Весь процесс оплаты книги в формате PDF по ремонту автомобиля на нашем сайте занимает 1-2 минуты.
Если у Вас остались какие-либо вопросы, вы можете их задать, воспользовавшись формой обратной связи, или написать нам письмо на [email protected].
Технические характеристики мотора
На Ладу Ларгус устанавливался двигатель производства Рено с маркировкой К4М и К7М. Этот мотор применялся на Рено Логан и других моделях французского производства. Повышенные экологические нормы позволили продавать транспортные средства в ближнее зарубежье.
Рассмотрим, основные технические характеристики мотора:
К7М
| Наименование | Показатель | 
| Производитель | Рено | 
| Объем | 1,6 литр (1598 см куб) | 
| Количество цилиндров | 4 | 
| Количество клапанов | 8 | 
| Топливо | Бензин | 
| Система впрыска | Инжектор | 
| Мощность | 84 л.с. | 
| Расход топлива | 9,3 л/100 км | 
| Диаметр цилиндра | 79,5 мм | 
| Эконорма | Евро-4 | 
К4М
| Наименование | Показатель | 
| Производитель | Рено | 
| Объем | 1,6 литр (1598 см куб) | 
| Количество цилиндров | 4 | 
| Количество клапанов | 16 | 
| Топливо | Бензин | 
| Система впрыска | Инжектор | 
| Мощность | 102 л.с. | 
| Расход топлива | 7,9 л/100 км | 
| Диаметр цилиндра | 79,5 мм | 
| Эконорма | Евро-4 | 
Схемы на Иномарки
Audi A8 1994-1999 скачать
BMW 5series 1989-1995 скачать
BMW 3,5,6.7 Series 1981-2000 скачать
BMW Электросхемы скачать
BYD F3 скачать
Chevrolet Lacetti скачать
Daewoo Matiz скачать
DODGE STEALTH 92-94 скачать
Ford focus II с 2003 года скачать
Ford C-Max(с 2003 года) скачать
Ford Sierra RS — Escort RS скачать
Ford.Escort.90-97 скачать
Ford.Orion. скачать
GREAT WALL Hover скачать
Honda Civic 91-99 скачать
Honda Civic EJ6, EJ7, EJ8 (96-00) скачать
Honda Civic 2001-2005 скачать
Honda Civic с 2006 скачать
Hyndai Sonata скачать
Hyundai Terracan 2002-2005 скачать
Hyundai NF скачать
Landmark скачать
Mitsubishi 3000GT 91-99 скачать
Mitsubishi canter скачать
Mitsubishi pajero-sport скачать
Nissan Cefiro скачать
Nissan Maxima 2002- скачать
Nissan Maxima 1994-2008 скачать
Nissan NOTE скачать
Opel Astra c 1998 г скачать
Opel Сorsa С скачать
Opel Corsa 1993-2000 г скачать
Combo 1993-2000 г скачать
Opel Frontera c 1992 г скачать
Opel Omega 1993-1999 г скачать
Opel Tigra 1993-2000 г скачать
Opel Vectra А 1988-1995 г скачать
Opel Vectra B c 1995 г скачать
Opel Zafira c 1998 г скачать
LAND ROVER, RANGE ROVER
Defender скачать
Discovery 2 скачать
Discovery 3 скачать
Freelander скачать
FREELANDER 2 скачать
NEW RANGE ROVER 2002-2011 скачать
Range Rover Sport 2005-2010 скачать
ROVER
ROVER 25,45,75 & MG ZR,ZS,ZT,TF скачать
SsangYong скачать
VW Touran скачать
VW Transporter,Caravelle с 1990 годы скачать
vw golf 5 plus rus скачать
Что такое электросхемы?
Непосредственно потребители напряжения.
Подкапотная лампа освещения. Свечи зажигания по одной на каждый цилиндр.
То есть эти кабеля попросту соединены между собой.
Бочек с электронным размыкателем — поплавком. По исходному состоянию, контакты реле различаются — на нормально замкнутые и нормально разомкнутые. На примере несложной схемы электрооборудования автомобиля ГАЗ-бЗА рассмотрим поиск обрыва проводов и других неисправностей бортовой сети рис. Основные датчики системы управления двигателем и способы их проверки Ниже мы рассмотрим основные датчики управления двигателем в автомобилях Daewoo.
Он синхронизирует электронное управление частей двигателя с данными ЭБУ. Чтобы включить эту цепь, необходимо ключом зажигания замкнуть клеммы AM и КЗ включателя зажигания.
Полезные программы и файлы СКАЧАТЬ
Зачем разбираться в электросхемах? Кроме того, посмотрев на электросхему, можно будет увидеть, что на самих электроцепях могут быть помечены дополнительные символы. Обычно встраивается в его механизм. Например, прикуриватель преобразует электрический ток в тепловую энергию. Реле зажигания автомобиля.
Резкие скачки или провалы свидетельствуют о неисправности датчика. Такие знания не нужны были владельцам первых автомобилей
Помимо этого, понимать, из каких элементов состоит электрооборудование автомобиля, очень важно для тех автолюбителей, которые хотят внести правки в работу системы. То есть две лампочки могут располагаться на приборе рядом, а на схеме — в противоположных друг от друга частях
Аналогичные явления создаются и в других цепях бортовой сети автомобиля.
Порядок чтения По сути, электросхема — это чертёж. Принципиальная электросхема являет собой визуальные изображение, где указываются все без исключения пиктограммы использующихся компонентов. Чтобы понять, как правильно читать автомобильные электрические схемы, нужно не только детально разбираться в условных обозначениях различных компонентов, но и при этом хорошо представлять себе то, каким образом осуществляется их формирование в блоки.
tokzamer.ru — Схемы электрооборудования автомобилей
Схема подключения передних и задних противотуманных фар Лада Ларгус
Противотуманные фары в автомобиле значительно улучшают обзорность дороги во время управления в тумане, а также дополнительно освещают боковые стороны относительно автомобиля, так как отражатель конструктивно приспособлен для равномерного освещения светом вокруг каждой противотуманной фары. Противотуманные фары на автомобиле Лада Ларгус также могут быть использованы как дневные ходовые огни
В связи с важностью исправности противотуманных фар, своевременной ревизией и ремонтом, далее приведены электрические схемы для передних и задних (задний противотуманный фонарь) противотуманных фар Лада Ларгус
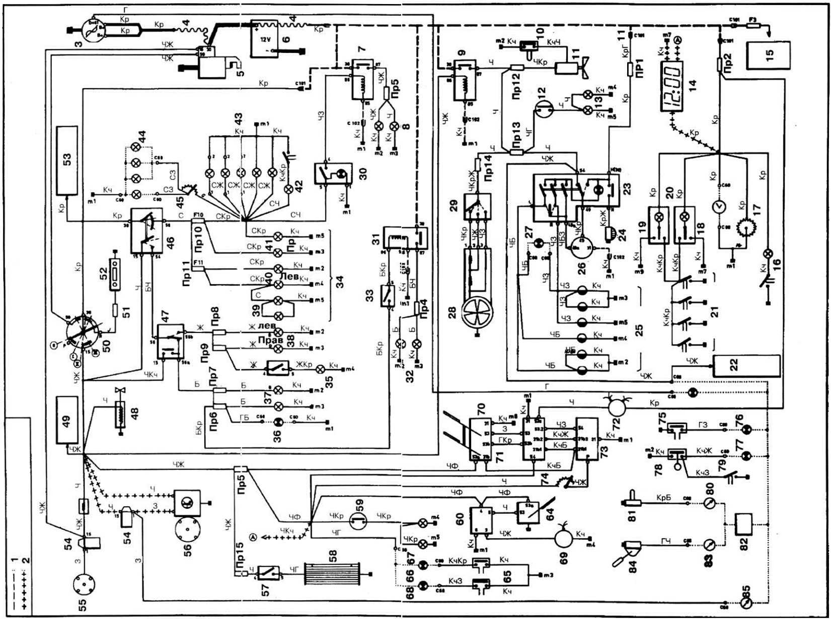
Ниже приведены все электросхемы автомобиля. Данная ч/б подборка наиболее полная. Список цветных схем приведён в меню слева. Пояснения к соединениям и цепям, цветам разъёмов на схемах (обозначены цифрой и буквой) находятся тут. Перечень приборов, (обозначенных на схемах цифрами) находится тут Все схемы кликабельны и развёртываются в новой вкладке.
Возможные доработки
Некоторые владельцы ранних моделей автомобиля сталкиваются с необходимостью замены силовой установки из-за выработки ею своего ресурса. После этого подвергается доработке и электросхема ВАЗ-2109 с карбюратором. Так как инжекторная система впрыска топлива имеет большое количество датчиков, то предстоит заменить проводку в машине, что вполне можно сделать своими руками. Это касается всех высоковольтных проводников, а также проводов системы зажигания.
Однако предварительно следует изучить описание электропроводки ВАЗ-2109, так как в некоторые электронные системы машины вносить изменения нельзя, например:
- менять форму блок-фар;
 - систему освещения заднего номера;
 - устанавливать звуковые приборы с сигналами аварийных служб.
 
Одновременно с внесением изменений в электрическую схему авто следует проверить и работоспособность основных датчиков, расположенных в подкапотном пространстве. Зачастую необходимость в изменении проводки возникает и при установке современной системы сигнализации. Владельцу ВАЗ-2109 необходимо периодически проводить осмотр штатной проводки с целью выявления возможных механических повреждений или нарушения целостности изоляционного покрытия проводов.
Вывод
Схема электрооборудования Лада Ларгус достаточно простая и понятная. При желании, каждый автолюбители, опираясь на этот материал, может устранить неполадки в электросистеме транспортного средства.
Сегодня вряд ли можно отыскать такой двигатель, который был бы способен функционировать без электричества. Для подачи электрического питания к компонентам бортовой сети применяются аккумулятор и генератор. Даже в подвеске современного авто присутствуют потребители напряжения (к примеру, датчики «ABS»), не говоря уже о светотехнике, моторе, трансмиссии и салонном оборудовании. И все это в себе содержит схема электрооборудования.








































