Подключение кнопок к магнитоле
Подключение кнопок на руле начинается с комплектации проводной системы круиз-контроля проводкой магнитолы. Подвести проводку к мультимедийному устройству в разъем синего цвета. Чтобы не ошибиться, изучите схемы подведения.
Если в процессе эксплуатации была установлена новая магнитола, потребуется адаптер под конкретный вид аудиосистемы.
После выполнения подключения протестируйте работоспособность новых функций. В результате правильно выполненного подключения клавиши будут подсвечивать и выбирать режимы деятельности магнитолы:
— переключение музыкальных файлов;
— выбор пунктов меню;
— выбор носителя файлов;
— мгновенное выключение громкости.
Стоимость руля с кнопками
Цена на модель с кнопками зависит от магазина. Большинство владельцев автомобиля лада веста приобретают изделия с клавишами в виртуальных магазинах. Заказ оформляется на артикул 8450006832. Стоимость колеблется от 5000 до 7000. Если владелец транспортного средства нуждается в подушке безопасности, цена увеличивается ещё на 1000-15000. За обшивку кожей придется выложить еще 2000-2500 руб.
Для экономии можно использовать накладку с клавишами на стандартный руль. Такой вариант сложнее подключить, и трудно найти, так как он не популярен.
Подключение кнопок на руле к нештатной магнитоле
Штатная магнитола, которая устанавливается автопроизводителем на заводе, не всегда отвечает запросам владельца автомобиля.
Как правило, это весьма аскетичное и малофункциональное устройство, да и качеством воспроизведения звука заводские аудиосистемы не радуют.

Именно поэтому многие автовладельцы рано или поздно задумываются о замене штатной магнитолы на более универсальное, функциональное и современное устройство.
Однако в процессе установки могут возникнуть некоторые несостыковки.
В результате неправильной установки магнитола может, например, переключать треки при попытке водителя увеличить громкость или вовсе не реагировать на команды, подаваемые с мультируля.
Лайфхак: мультируль Лада Веста — функции и установка
Мультируль на автомобиле Лада Веста обеспечивает комфортное, перемещение на автомобиле. Помимо этого, руль — это элемент салона, рычаг управления поведением автомобиля и дополнительными опциями. Мультифункциональное рулевое колесо lada vesta он же мультируль, присутствует в топовой и люкс комплектации Лада Веста. В других вариациях его возможности не выходят за рамки стандартных. Материалы для отделки не высокого качества. Но его можно подключить используя специальный переходник на мультируль.
Установка мультируля на автомобиль Лада Веста возможна, даже если не входит в заводскую комплектацию. Такая функция позволяет поставить кнопки на руль, повысить уровень безопасности во время движения, так как регулировка климат-контроля, режима работы мультимедийной системы производятся клавишами на руле. Поменять обшивочные материалы (оплетка, кожаная перетяжка, накладка — он же чехол) можно самостоятельно, если знать размер, диаметр рулевого колеса лада веста. Так же можно сделать обогрев. Функция подогрев руля на Лада Веста, особенно приятна в морозные дни зимой. После реконструкции получится многофункциональный, узел. Читайте статью до конца и овладеете всеми этими навыками ремонта!
Как подключить на комплектацию «Люкс»
Подключение мультируля в люксовой комплектации Весты более удобное. Такая комплектация отличается наличием серых проводов в имеющихся жгутах электропроводки.

Руль Лады Весты закреплен с большим усилием, поэтому снимать его рекомендуется, покачивая в стороны, проявляя осторожность. Подключение улитки производится в следующем порядке:
Подключение улитки производится в следующем порядке:
По бокам рулевого колеса имеются специальные отверстия. Вставьте в них стержни и нажмите.
При этом блок подушки безопасности должен подняться
Вытащите его, проявляя осторожность, чтобы не повредить элементы блока.
Отсоедините все провода и демонтируйте руль. Чтобы это выполнить, выкрутите центральный болт и потяните руль на себя
Вытаскивая рулевое колесо, следите за тем, чтобы провода прошли через ступичное отверстие, и не получили повреждений.
Установка производится в обратной последовательности операций.
Как подключить мультируль к магнитоле
Порядок подключения следующий:
- Для начала найдите серые провода.
- Подключите их к разъемной колодке руля. Это позволит включить в работу управление системой круиз-контроля.
- Подключение к магнитоле производится путем добавления 5-ти проводов в имеющуюся разъемную колодку с использованием клемм BLS. Второй конец жгута оборудуется разъемом мини-ISO. Он будет вставляться в гнездо магнитолы.
Схема мультируля
Жгут проводов должен подключаться по следующей схеме:

Теперь нужно проверить, как работает мультируль. Схема подключения должна соответствовать указанному изображению. Затем необходимо аккуратно установить подушку безопасности. О том, как подключить мультируль к магнитоле, можно узнать из официального руководства по ремонту к автомобилю. Там дано подробное описание процесса. В итоге кнопки должны действовать по указанным обозначениям.
Мультируль седан Веста может поставляться с завода в кузове хэтчбек или универсал. Особенностью схемы является то, что после его установки может не действовать индикация работы круиз-контроля. Лампочка на панели приборов не будет гореть. Это исправляется путем обновления прошивки блока. Стоимость такой работы у официального дилера около 500 рублей. В других сервисах цена прошивки может отличаться в большую или меньшую стороны.
Чтобы рассмотреть схему подробнее в крупном масштабе, скачайте ее и откройте отдельно на компьютере. Для этого правой кнопкой мыши нажмите на изображение, выберите пункт «Сохранить изображение как». Затем выберите место сохранения, например, «Рабочий стол», и нажмите «Сохранить». Схема мультируля Весты сохранится отдельным файлом картинки.
Подключение кнопок на руле (круиз-контроль)
Меняем подрулевой переключатель.
| Колодка на улитке | Колодка ЭБУ |
| 6 | C3 |
| 9 | C2 |
| 2 | E3 |
Если разъемы C2, C3 и E3 уже заняты, значит провода уже проложены с завода. Переходим к следующему шагу.
На 11 контакт колодки должно приходить 12 В.
Система круиз контроль
Правильно настроенное устройство обеспечивает строгое следование выбранной скорости без превышения и независимо от того, какую весовую нагрузку испытывает автомобиль. Система отлично регулирует положение заслонки дросселя (ограничителя), опираясь на показания соответствующих индикаторов. Чем быстрее информация доходит до компьютерной системы круиз контроля, тем стабильнее и безопаснее она действует.
На правой стороне руля Лада Веста располагается мультимедиа-система, а на противоположной находится блок круиз контроля, в котором располагаются следующие кнопки:
- включающие и отключающие работу всей системы;
- корректирующие и регулирующие скоростной режим;
- отключающие обе функции на некоторое время.

Здесь же расположены кнопки, позволяющие возвращаться к последним сохраненным предустановкам.
Последовательность включения данной функции:
- При движении нажимается кнопка включения, а нога с педали газа убирается.
- Изменяем скорость, которая будет отображаться на мониторе, нажимая на нужную клавишу регулировки ( -). Тормоз всегда будет в приоритете, если необходимо останавливать инерцию.
- Клавиша, включающая функцию круиз контроля, также и останавливает ее действие.
Для замены требуется купить круиз контроль dop62, подрулевую улитку (переключатель), которая снабжена проводами для клавиш, и BLS-контакты для разъема. Для установки мультимедиа нужны: шлейф из пяти полсантиметровых проводов и mini-ISO. Дополнительный трехконтактный шлейф подсоединяет ограничитель скорости.
- Протягиваем три провода к электронному блоку управления через промежуток над педалями и подсоединяем их по схеме.
- Далее туда же вставляем проводки, управляющие мультимедиа. Mini-ISO также необходимо установить в разъем. Если магнитола Лада Веста не заводская, то мастерим специфический переходник.
Режим «Аудио»
Окно аудиоплеера интуитивно понятное. Все аудио файлы воспроизводятся на 6 колонках, звук акустики на достойном уровне. Регулировать звучание можно с помощью эквалайзера (есть 6 запрограммированных установок Jazz, Rock, Voice и.т.д.).

Есть возможность слушать музыку через Bluetooth с телефона. Тут стоит отметить один недостаток — информация о проигрываемом файле не отображается на экране ММС.
Требования к MP3 файлам c постоянным или переменным битрейтом:
- 32-320 кбит/c при частотах дискретизации 32000 Гц, 44100 Гц и 48000 Гц для MPEG-1 Layer 3;
- 16-160 кбит/c при частотах дискретизации 16000 Гц, 22050 Гц и 24000 Гц для MPEG-2 Layer 3;
- 8-160 кбит/c при частотах дискретизации 8000 Гц и 11025 Гц для MPEG-2.5 Layer 3.
Требования к файлам WMA с постоянным битрейтом и скоростью передачи:
10–320 кб/с, с переменным битрейтом и скоростью передачи 32–192 кб/с, и частотой дискретизации 8/11,025/16/22,050/32/44,1/48 кГц.
Требования к WAV файлам:
Разрядность 8/16/24 бит с частотой дискретизации 44,1 кГц.
Требования к FLAC файлам:
с частотой дискретизации 44,1 кГц.
Как включить круиз контроль?
Блок круиз-контроля находится непосредственно на руле. Правая часть руля отвечает за управление мультимедией, левая – блок круиз-контроля (см. рисунок).
Блок включает в себя следующие кнопки:
- Включение и выключение функции круиз-контроля (3),
- Управление ограничением скорости (вкл/выкл) (6)?
- Временное отключение круиза или ограничения (кнопка can) (2),
- последняя предустановка скорости(res), (5)
- регулировка скорости кнопками + и — (1 и 4)
Алгоритм включения круиз-контроля
- Во время езды включаем круиз контроль нажатием на кнопку «3», убираем ногу с педали газа
- Кнопками + и – выбираем нужную скорость ориентируясь на монитор под спидометром и едем с заданной скоростью.
- В случае если вам необходимо притормозить – нажимаем на тормоз.
- Чтобы вернуться к прошлым предустановкам нажимаем на кнопку res (5). Стоит отметить, что автомобиль будет плавно разгоняться до заданной скорости, так что если вам нужно ускориться гораздо быстрее – перейдите в ручной режим управления.
- Чтобы выключить круиз-контроль – нажмите кнопку выключения (3). Главная страница
В некоторых модификациях комплектаций комфорт и люкс в автомобилях Лада Веста можно столкнуться с такой интересной функцией, как круиз контроль и ограничитель скорости, данные функции значительно упрощают вождение автомобиля, а езду делают приятной и комфортной.
Кнопки управления ограничителем скорости и круиз контролем расположены на левой стороне рулевого колеса автомобиля, крайними левыми кнопками «+» и «-» выставляется необходимая скорость, как на круиз контроле так и на ограничителе, крайние правые кнопки непосредственно включают эти функции (верхняя — круиз контроль, нижняя — ограничитель скорости).
Ограничитель скорости дает возможность выбрать водителю скорость, которую он не хотел бы превысить передвигаясь на автомобиле, после установки ограничителя, например на 60 км/ч, независимо от того, как бы сильно водитель не давил на педаль акселератора, автомобиль не будет превышать установленного предела пока не будет отключен ограничитель. Данная функция удобна при городской езде, где установлен определенный скоростной режим, а его нарушение карается штрафом.
Для того, чтобы активировать ограничитель скорости необходимо нажать на нижнюю правую кнопку (с левой стороны рулевого колеса), после ее нажатия на панели приборов загорится оранжевый индикатор ограничителя скорости, используя кнопки «+» и «-» выставите необходимую скорость после чего индикатор поменяет цвет на зеленый, что в свою очередь будет означать, что ограничитель активен. Для отключения функции необходимо еще раз нажать на нижнюю правую кнопку. Минимально допустимая скорость для работы ограничителя 30 км/ч.
Круиз контроль работает немного иначе нежели ограничитель скорости, однако скорость он все-таки ограничивает. С помощью круиз контроля водитель может выставить необходимую ему скорость движения, а автомобиль будет поддерживать ее в дальнейшем самостоятельно без участия ног водителя.
Для того, чтобы активировать круиз контроль на ладе весте необходимо нажать верхнюю правую кнопку (с левой стороны рулевого колеса) после чего на приборной панели загорится оранжевый индикатор круиз контроля (см. фото выше) после чего можно переходить к настройке необходимой скорости при помощи клавиш «+» и «-«, настраивая скорость индикатор круиз контроля сменит цвет на зеленый. Устанавливаемая скорость высвечивается на дисплее бортового компьютера и будет поддерживаться до тех пор, пока водитель не возьмет управление в свои ноги. Если водитель во время работы круиз контроля нажмет на педаль тормоза или акселератора, индикатор вновь станет оранжевого цвета, восстановить работу круиз контроля можно с помощью клавиши «Res». Минимально допустимая скорость, для работы круиз контроля 40 км/ч. Круиз контроль будет полезен на загородных дорогах при длительных путешествиях.
Установка кнопки старт стоп вместо замка зажигания
Понятно, что первый пункт больше похож на имитацию кнопки старт-стоп, но для приверженцев подобной идеи есть вполне разумное обоснование. Кнопка берет на себя функции дополнительного сервисного механизма, что особенно ценно в условиях городской езды. При этом меньше разбивается замок, а доморощенный старт-стоп вполне может «подрабатывать» дополнительной противоугонной фишкой.
Первый вариант старт-стопа – простенько, но со вкусом
Кнопку старт-стоп можно изготовить из двух реле для противотуманок задних фонарей, № 22.3777. Комплект из двух штук, кнопкой с подсветкой встанет примерно в четыре сотни рубликов. Диод можно подкинуть любой, какой найдете, больших токов там нет.
Сборка и подключение схемы особого затруднения не вызывает, потребуется только дополнительный кусок провода с удвоенным сечением меди. Подключаем его к 30-й ноге реле стартера и коммутируем с 87-м реле зажигания, на схеме – все розовое. Как правильно соединить провода, хорошо понятно из фотографии
Если немного добавить запчастей и фантазии, можно собрать более безопасный вариант кнопки старт-стоп своими руками. В этой схеме добавлены пара реле и концевик для педали сцепления. Несмотря на кажущуюся ненужность, нормальный качественный концевичок сильно обезопасит ваш суперавтомобиль от возможных сюрпризов, особенно, если в машине есть подростки или непредсказуемые люди. В этом случае запуск мотора потребует выключать сцепление.
Понятно, что люфта на педали сцепления не должно быть в помине.
Схема на реле позволяет легко контролировать работоспособность и даже наращивать схему. В отдельных случаях умельцы используют дополнительно встроенный концевик-выключатель в седушку кресла водителя, замыкающийся под весом конкретного водителя, чтобы любопытный пассажир шаловливыми руками не натворил беды.
Логика работы кнопки старт-стоп достаточна прозрачна. При первом длительном нажатии происходит запуск, повторное останавливает мотор. Подобная схема надежна, но при условии нормальной работы кнопки. При наличии дребезга или при невнятном включении зачастую приводит к проблемам и травмам.
Расположение кнопки старт-стоп рекомендуют выбирать с учетом защиты от запыления, лучше подальше от глаз присутствующих в салоне.
Самый интересный вариант для очень умных
В отличие от предыдущих схем, данный вариант кнопки старт-стоп построен на микропроцессоре, поэтому сложно рекомендовать его к изготовлению, если нет соответствующих знаний основ микроэлектроники. Но для общего интереса ознакомиться просто необходимо.
Предложенная система старт-стоп обладает несколькими неоспоримыми преимуществами:
- двигатель не чувствителен к дребезгу кнопки старт-стоп, то есть при случайном кратковременном замыкании контакта или нажатии мотор не будет остановлен;
- автор идеи завел в логику программы обязательное нажатие педали и рычага тормоза, что, возможно, сделает схему пригодной для автоматов;
- система проверяет результат пуска по подпрыгнувшему давлению масла, поэтому вероятность клина стартера при заработавшем моторе резко уменьшена.
Запуск схемы старт-стоп осуществляется своими руками после снятия с сигнализации длительным нажатием кнопки без фиксатора, в случае неудачи параметры обнулятся и будут готовы к новой попытке. Остановка двигателя выполняется кратким нажатием при нажатых тормозах.
Грех было бы не автоматизировать сам процесс запуска. Парень заложил в схеме простое решение – однократный нажим на кнопку старт-стоп заставляет систему трижды, с небольшим интервалом, попробовать запустить двигатель. Длительное удержание кнопки крутит стартер до появления признака работы мотора.
Преимуществом подобного подхода является широчайшее пространство для формирования разнообразных условий схемы подключения кнопки старт стоп, пуска мотора в самых сложных ситуациях. Но схему мало изготовить, ее еще необходимо правильно запрограммировать. Вся логика работы организована на процессоре PIC16F84A, управление подключением силовых цепей осуществляется на КТ817Г, у них немаленький запас по току.
Схема кнопки старт-стоп интересна, но, как и все экспериментальные варианты, требует проверки на отказоустойчивость. Любые микроэлектронные прибамбасы плохо переносят перегрузку теплом и резкие скачки напряжения. Кроме того, необходимо проверить совместимость работы датчиков давления масла, ручника и остальных задействованных сенсоров электросистемы автомобиля.
Руль от весты на гранту
Накладка с кнопками на мультируль Лада Веста
Оригинальный мультируль на Лада Веста
Подушка безопасности в руль Лада Веста, Иксрей
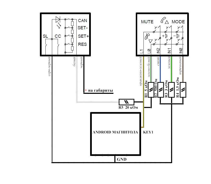
Проводка для подключения мультируля к медиасистеме и ЭБУ на Лада Веста
Мультируль с подушкой безопасности на Лада Веста
Соединитель подрулевых переключателей (улитка) на Лада Веста
Накладка руля Люкс черный лак на Лада Веста, Икс Рей
Перетяжка на руль экокожа с перфорацией
Комплект подключения мультируля на Лада Веста
Перетяжка на руль экокожа одинарная строчка Квадрат
Накладка руля Норма черный лак на Лада Веста, Икс Рей
Накладка руля Норма серебро на Лада Веста, Икс Рей
Накладка руля Люкс серебро на Лада Веста, Икс Рей
Оплетка руля в стиле sport на Лада Приора, Калина 2, Гранта, Веста, Датсун
Спортивный анатомический руль (голый) экокожа, цветная строчка на Лада Веста
Кожаная оплетка с повторением анатомической формы на руль Лада Веста, Икс Рей

Сегодня наконец таки эпопея с рулем закончена. Все было не просто, но мы ведь не ищем легких путей))) Первая ошибка — это подключение массы к рулю. При включении фар или печки, кнопки начинали сходить с ума. Но это легко исправляется. Левую часть кнопок через резистор подключили к правой. Магнитолу переобучили и все заработало как надо)

Вторая ошибка — это то, что после установки руля, я не проехалась сразу. Как оказалось, руль встал криво. Пришлось снова снимать его, и выставлять положение уже при езде.При включении габаритов — включается и подсветка кнопок.

Результатом осталась довольна. Все получилось и очень даже не плохо вписалось в интерьер.Тактильные ощущения от руля — супер, если сравнивать со штатным. Глаз радуется)))
Записала небольшое видео работы руля
Как уже писала прежде, я приобрела руль от Весты, для установки в свою любимую Гранту. И вот у мужа появилось свободное время, и на пару с Makes6362 , мы уговорили его заняться этим вопросом. В какие-то левые гаражи обращаться не хотела, так как не знаю как сделают, и во вторых сдерут еще в три шкуры)))Начали с электрики. Так как в первую очередь нужно было проверить, сможет ли магнитола работать с данными кнопками. Нашли дома какие-то резисторы, без учета мощности и номинала, проверили мультиметром работу. Собственно на коленке собранный вариант работал без проблем.

Далее, поехала за нормальными резисторами в магазин радиоэлектроники. Взяла по бумажке 500 Ом, 1,5 кОм, 3 кОм и 5 кОм, и по мощности если не ошибаюсь в 2,5 Вт.После была составлена схема, для работы кнопок мультируля Весты с Андройд магнитолой. Данный вариант подходит не только к Гранте, он универсален.
Резисторы в итоге припаяны и закрыты термоусадкой. В машине была снята панель с магнитолой, к которой для теста подключили кнопки.

Тест прошел удачно, магнитола обучилась без проблем.
Со спокойной душой, могу заявить: идея будет доведена до финала! Причем, в ближайшее время)))
Подготовка к подключению кнопок руля к неродной магнитоле
Чтобы корректно соединить нештатное головное устройство с кнопками на руле потребуется специальный переходник, который так и называется — адаптер для подключения кнопок на руле.
В продаже можно встретить как отдельные модели адаптеров, которые подходят только на определенные марки автомобилей, так и универсальные переходники.
Универсальный адаптер управления неродной магнитолой штатными кнопками на руле серии SWI-X1 от ACV подходит к автомобилям практически всех популярных марок (Hyundai, Киа, Toyota, Honda, Nissan, Chevrolet, Форд, Mazda, Mitsubishi, Suzuki и др.), которые имеют на мультируле кнопки резистивного типа.
Внешне адаптер выглядит, как небольшой модуль с выведенными наружу разноцветными проводами для подсоединения к проводам колодки магнитолы.

Инструкция по установке и подключению круиз-контроля своими руками
Это устройство установлено не на всех автомобилях с завода, например, на некоторых моделях Лада он отсутствует. Установку системы на Ладу можно выполнить своими руками (автор видео — Juzef Gorodecki).
Пользуются популярностью два вида универсальных комплектов с Е-газом:
- Jet Cruise. Управляется с помощью брелока. Благодаря системе дроссельная заслонка удерживается в заданном положении. Скорость зависит от рельефа местности.
- Drivenge. Управление осуществляется подрулевым переключателя. В режиме круиз-контроля система контролирует положение дроссельной заслонки, зависящее от рельефа дороги.
Установка комплекта Drivenge состоит в установке блока и рычага управления. Блок устанавливаем под панелью или сиденьем. Рычаг с кнопками управления устанавливается на рулевом кожухе слева или справа. Для установки следует высверлить необходимые отверстия. Подключение осуществляется с помощью разъемов в разрыв педали газа.
Четыре провода подключаем следующим образом:
- черного цвета на «массу» (к любой детали кузова);
- красного цвета к замку зажигания;
- желтого цвета к датчику скорости;
- коричневого цвета к датчику педали тормоза.
Если установлена механическая коробка передач, то зеленый провод нужно подключить к педали сцепления. Если автоматическая, то провод не нужно никуда подключать.
Цена вопроса
Можно сэкономить на установке устройства, если самостоятельно приобрести комплект и установить его согласно инструкции.
Перетяжка руля лада веста
Перетяжку руля лада веста многие собственники автомобилей базовой комплектации выполняют своими руками. Кожаный вариант смотрится солидно.
Чтобы установить оплетку из качественного, дорогого материала, сначала потребуется снять руль.
Последовательность действий смотрите выше.
- Если присутствуют клавиши управления, снимите их.
- Оплетка прикладывается так, чтобы швы точно соответствовали друг другу.
- Вместе с оплеткой в наборе присутствуют хомуты. Ими фиксируем положение оплетки. Пометьте положение углублений.
- Ножиком, который находится в наборе, без усилий сделайте углубления на поверхности. Размер углубления 3-4 мм. Такая же глубина. Таких прорезей требуется несколько, чтобы убрать все края оплетки.
- Снова сверьте совпадение стыков.
- Клеевой состав нанесите на тыльную поверхность рулевых спиц, и в той же области на внутренней поверхности кожаной оплетки.
- Спустя 5-10 минут склеиваем поверхности. Таким же методом соединяем все части кожаной оплетки.
- Возьмите отрезок нити из набора длиной не более 80 см. Намотайте нить в углубление шва. Нить потребуется для скрепления нижних рулевых частей.
- Затем требуется отрезок нити длиной 1-1.3 м. Он нужен для сшивания самого объемного участка – верхней части от одного железного прута до другого.
- Иголкой продевайте нить в отверстия, вынимая ее на лицевую поверхность.
- Кончики нити обожгите огнем.
- Концы оплетки придерживайте руками, ниткой регулируйте натяжение.
- Используйте маленькую отвертку или спицу, чтобы зафиксировать нить в каждом стежке выбранного вида шва.
- Прошив до края второго металлического прута, зафиксируйте нить таким же способом.
- Когда вся оплетка прошита, спрячьте края материала в приготовленные отверстия.
Самостоятельная перетяжка – не сложный, но трудоемкий процесс, который не терпит спешки и требует аккуратности.
Как сделать обогрев руля на Лада Веста
Потребность функции обогрева руля особенно чувствуется в холодную зимнюю погоду. Теплая поверхность будет согревать руки, что очень приятно в мороз. Чтобы сделать подогрев руля, выполняйте алгоритм действий:
- Снимите рулевое колесо;
- В качестве обогревательного элемента используйте проволоку. Можно использовать медь, хром. Диаметр 0.3-0.4 мм;
- Изготовить жгут из 4-х отрезков проволоки;
- Сделать два входных отверстия;
- Проволоку обмотать вокруг поверхности колеса управления (можно только на верхнюю его часть – так быстрее и продуктивнее нагреется);
- На тыльной поверхности сделать небольшие прорези, чтобы нити проволоки врезались в них, и впоследствии не смещались и не разматывались;
- Подвести проволочный жгут к блоку питания (можно использовать звуковой сигнал – по мощности подходит);
- Подберите кнопку включения, выключения подогрева;
- Установите ее с той стороны, с которой удобнее нажимать;
- Сложите проводку, установите подушку безопасности, поставьте рулевое колесо;
- Протестируйте установленную функцию. В норме спустя 1.5-3 минут поверхность не будет холодной, спустя ещё 1.5-2 минуты будет ощутимо теплой.
Разборка
Перед тем, как начать работу непосредственно с клавишами, необходимо снять сам руль. Для этого, в первую очередь, вынимается ключ из замка зажигания, а также снимается минусовая клемма с АКБ, после чего требуется дождаться окончательного разряда конденсатора активатора, на что требуется не менее 60 секунд.
Для работы нужно снять руль Икс Рея
Далее нужно вставить в технологические отверстия, которые располагаются по бокам от баранки, 2 металлических стержня (например, гвозди или спицы), коими и сжать фиксаторы подушки безопасности. Это фиксаторы пружинного типа и сжимать их необходимо одновременно.
Работать нужно вдвоем, так как пока один сжимает фиксаторы, второй должен снять подушку, когда ее модуль немного поднимется.
Более подробно все продемонстрировано в видео.
Далее установка подсветки кнопок магнитолы на руле Лада Икс Рей подразумевает снятие самой баранки. Потребуются инструменты:
- Трещотка;
- Удлинитель;
- Бита Torx Т50;
- Двухрычажный съемник.
Сперва нужно поставить колеса кроссовера прямо, после чего выкрутить болт, отмеченный на рисунке номером 3
Далее руль осторожно тянется на себя, при этом через ступичное отверстие выходит проводка клаксона, отмеченная №2, а также провода «эйр-бега», указанные №4
Если ваш автомобиль укомплектован мультирулем, потребуется отсоединить колодку, указанную на втором рисунке №4.
После нужно вынуть из рулевого кармана предохранитель (транспортировочный), указанный на первом рисунке №5, и поставить его во вращающийся механизм, что отражено на рисунке.


















































